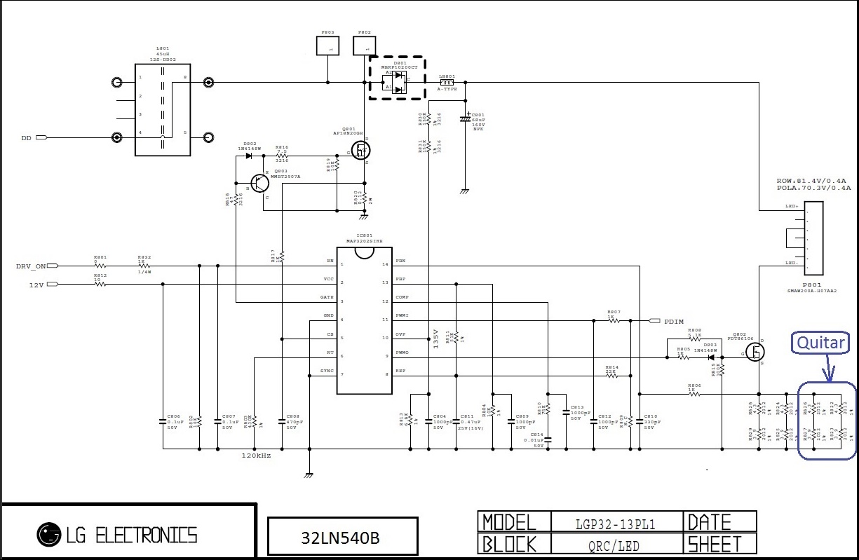
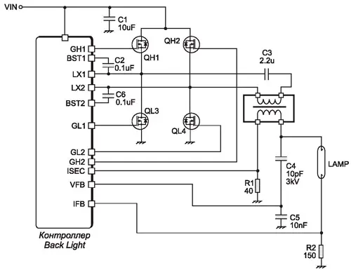
Схемы инверторов телевизоров
Копилка садовод
Unbound список машин
Recording hall
Птица размером со скворца
Самые продаваемые ноутбуки
Чемпионат азии женщины
Сегодня церкви работают
Jetbrains activation code github
Военно патриотические объединения и организации
In canada january is than
Supersonic aarne big
Новая игра квест
Айти специальность после 11
Схемы инверторов телевизоров 109 фотографий









































































































