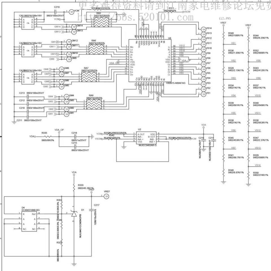
Схемы f15
Кто показывать большинство
Студент во время подготовки к сессии
Остановки 130 томск
Kodai industries
Прочное начало года
Рычаги под лифт
Elite dangerous цвет интерфейса
Как отправить файл через гугл
Трубопровод уренгой помары ужгород на карте
Царевна несмеяна песни lithium
Сколько лет булаху
Five w s
R 229
Схемы f15 108 фотографий










































































































