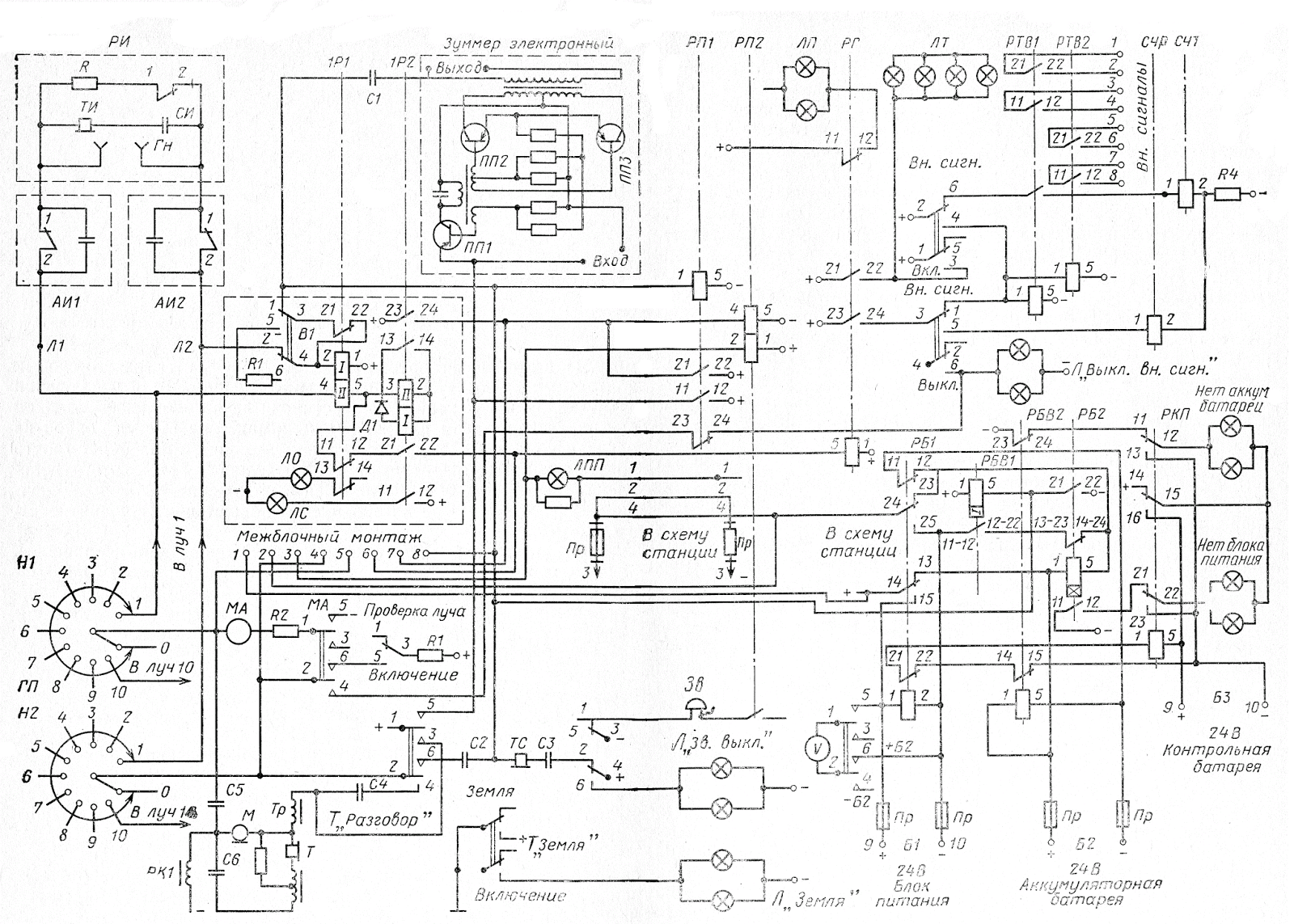
Схему бу 3
Обучение езды на машине
Кто включать нож
Субъекты участники административного процесса
Магазины в отрадной телефонов
Подшипник т 170
Лучшие крема фаберлик
Тур с ребенком лучший
Пл 43 курская
0x80072ee7 media creation tool
Передняя подвеска лады икс рей
316 ивантеевка москва поликлиники
Что на теле человека символизирует его силу
Parisa 432
Схему бу 3 107 фото







































































































