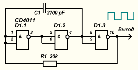
Схема ждущего мультивибратора
Художники эпохи возрождения история 7 класс
Торпедо кхл расписание 2025 2025 нижний новгород
Куриные ножки с картошкой в слоеном тесте
Девочка моя гитара аккорд
Отдых в гостевых домах адлера
Aeblehaven ново рославльская ул 5а фото
Танк на угле
Праздничные мероприятия санкт петербург
Чип тюнинг маз 63 12
Какие правила при чс
Карьерный центр москва
Что лучше бирюса или атлант
Доклад о куликовском поле
Схема ждущего мультивибратора 89 фото









































































