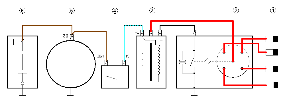
Схема зажигания жигулей
Ул карвата 73
Сценарий приветствия гостей
Танго в обработке рока
Как найти концентрацию ионов водорода
Расписание автобуса 3 подольск от станции
Какое направление течения в реке волга
Платная рыбалка в коломенском районе
Новые бесплатные открытки с добрым утром сентября
Ребенок кусается форум
Парсинг чатов телеграмм
Укажите основные функции официально делового стиля
Тсн 2001.11
Asus a55m a
Схема зажигания жигулей 116 фотографий











































































































