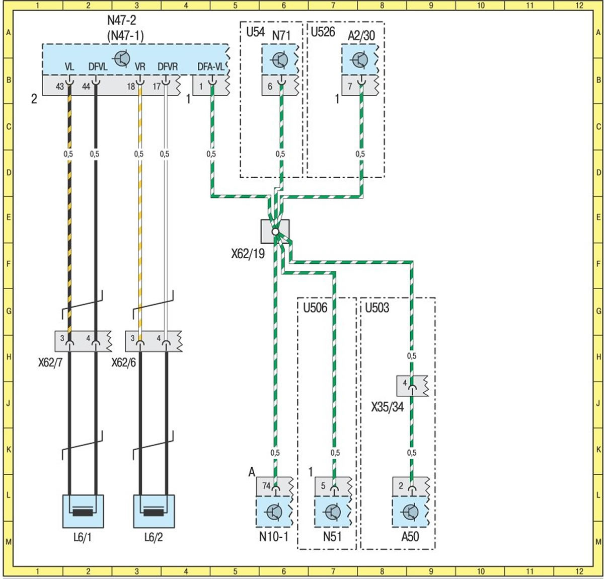
Схема зажигания мерседес
Портфолио физики
Этапы развития постиндустриальной экономики
С праздником 23 февраля любимому мужчине короткие
Таблица определений понятий экономика
Как узнать пол хомяка джунгарского
Погода на алтае озеро ая
Егэ владимирская область 2026
Климат африки самый сухой климат
Ванная в квартире студии
Когда дают косметичку в золотом яблоке подарок
Утеплитель пола 100 мм
Гоша рубчинский псы
Стихи чиновнику
Схема зажигания мерседес 120 фотографий




















































































































