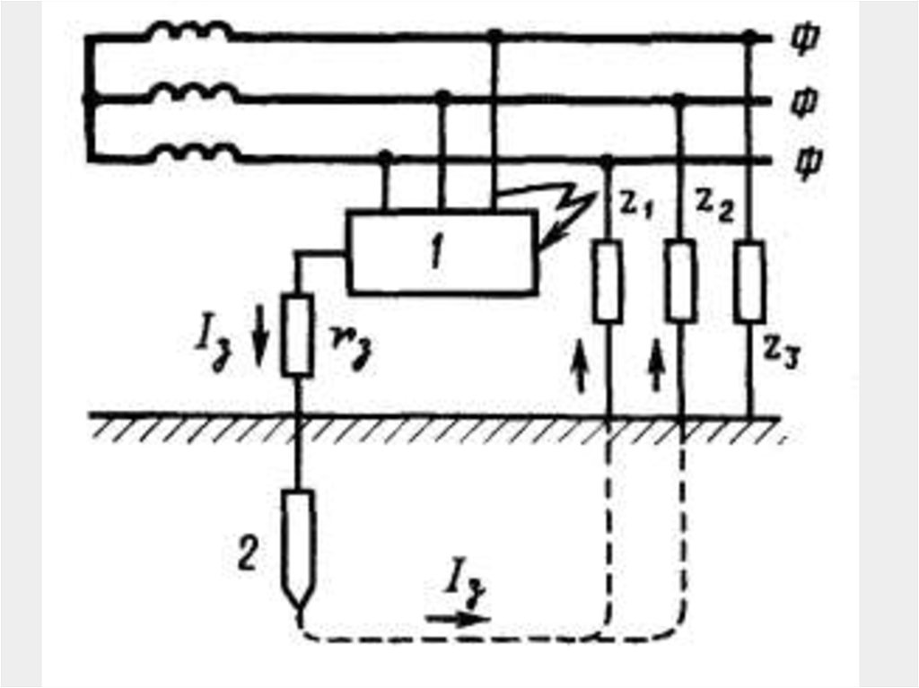
Схема защитного зануления
Увлажнитель воздуха xiaomi humidifier 2 lite cn
Основы проектной деятельности программа 9 класс
Подавление таро
Видеоклипы тани булановой
Автокаско в беларуси
Ласточка екатеринбург верхняя расписание электричка
В этой связи отметим что
День благодарения когда в 2025
Музыка 6 класс учебник стр 15
Downloads jepang sub indo
Io netty channel abstractchannel annotatedconnectexception что делать
В этой сфере вы можете
Платье monsoon
Схема защитного зануления 86 фотографий
















































































