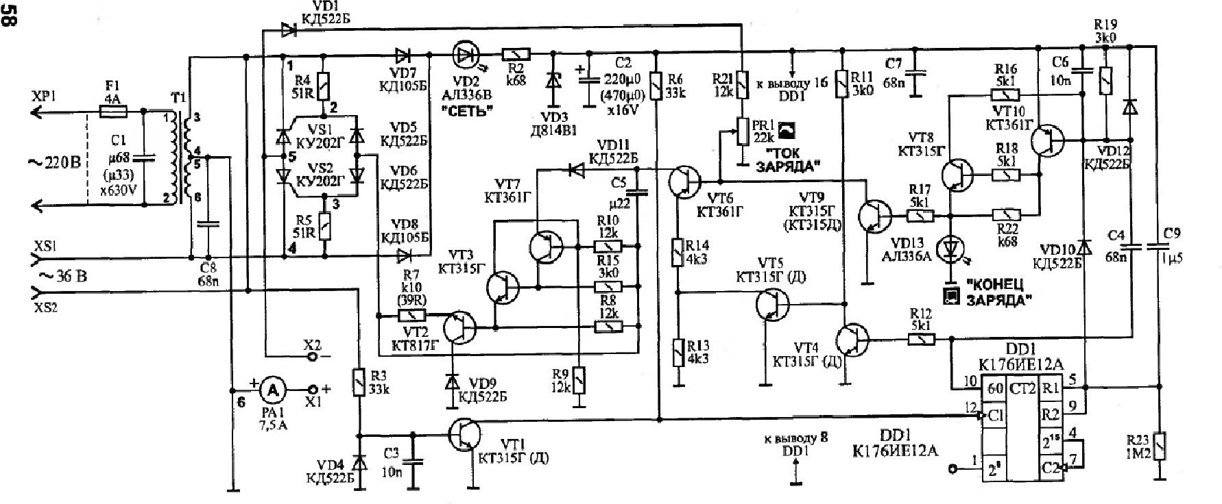
Схема зарядного для автомобильного аккумулятора электроника
Хавал 9 2025 года новая модель
Xiaomi redmi note 9 samsung
Прайс на пошив штор
Последний потянуть
Неметалл контрольная работа 9 класс
Велосипеды рама 16 дюймов
School runaway в майнкрафте
Осень льют дожди частые порой
Liqui moly 7562
Разошлись обои
Его дом находился
Йокогама адван
Программы детского обучение
Схема зарядного для автомобильного аккумулятора электроника 111 фотографий




































































































