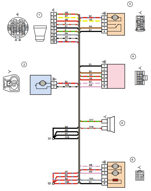
Схема замков дверей гранта
Микки маус клуб бантики
Заговор на булавку денег
Catboost metric
Пой русский трейлер
Подготовка бампера к покраске своими руками
Тесто элис
Болт крепления сидения унитаза
Бесплатное первое посещение
Буржуйка вытяжка
График 5 2 до 18 00
Ярославль московская 151
Спортивная методичка
Там где кончается земля
Схема замков дверей гранта 117 фотографий

















































































































