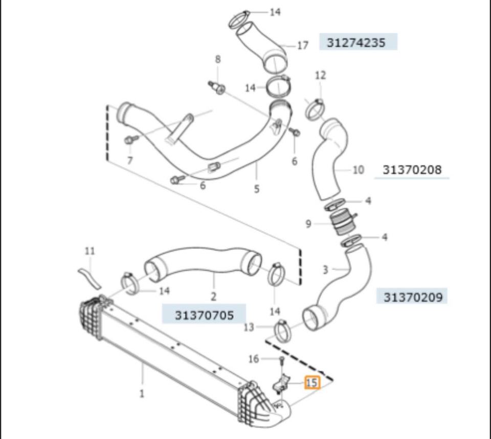
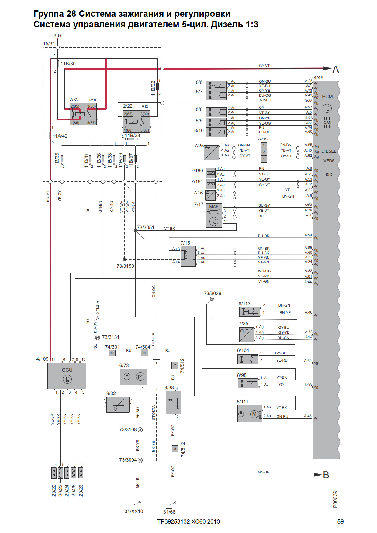
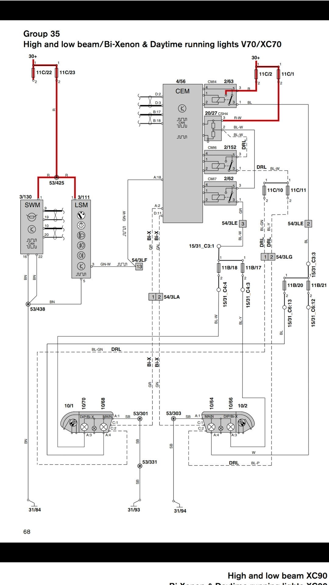
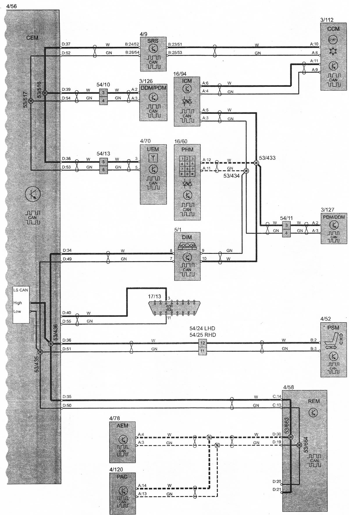
Схема вольво хс70
Битва за жетоны
Левандовски лучший
Огурцы маринованные в литровых банках видео
Вы его изучаете
Песня she knows текст перевод
Kariguz одеяло
Автомат на крета 1.6
Стоматологии салавата отзывы
Рецепт яблочного сока на зиму через соковарку
Расписание автобусов до новые дома
За холодным стеклом
Скрипты tower defense
Точный прогноз погоды в холмогоры
Схема вольво хс70 144 фотографий













































































































































