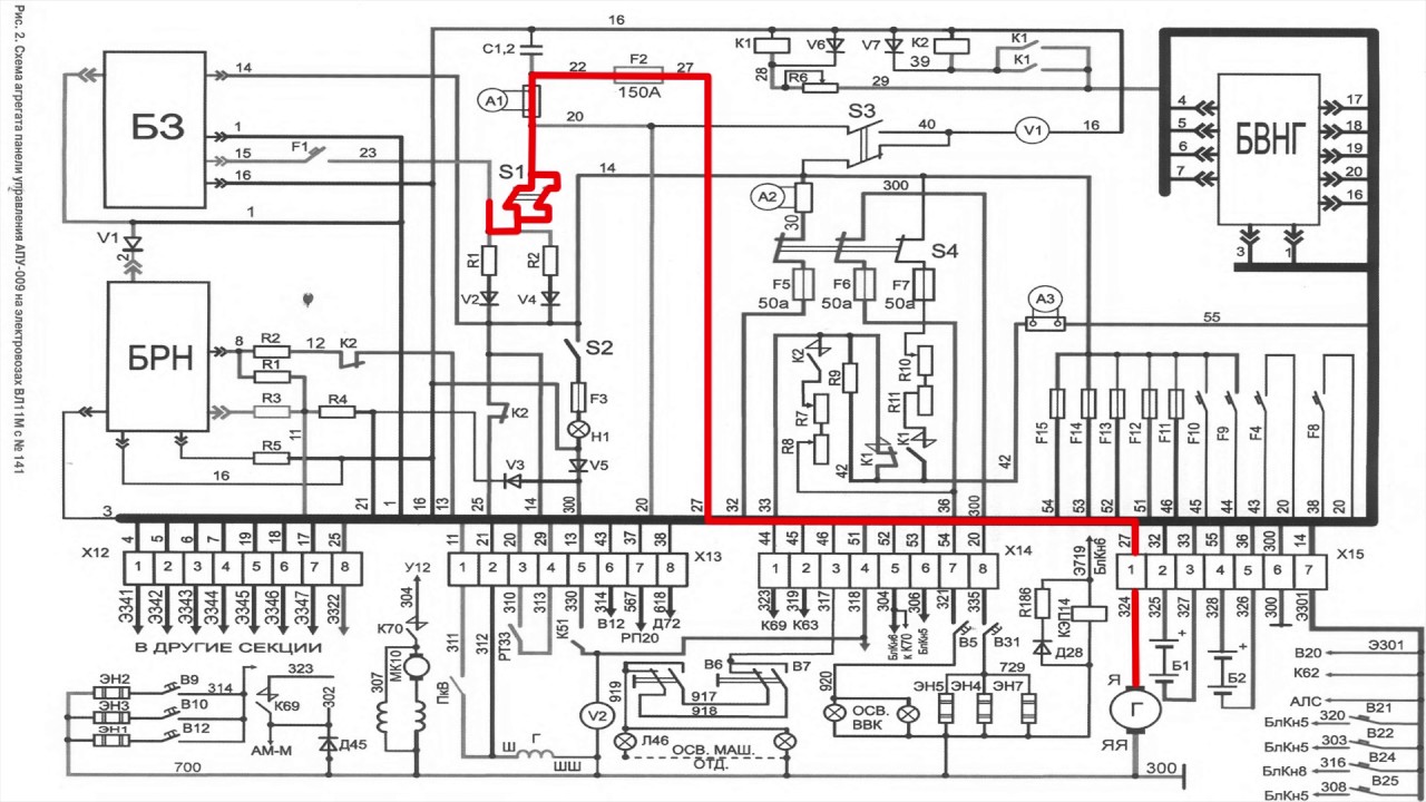
Схема вл11
Закладная под гкл
Игры про распаковку
Калькулятор расчета травматизма
Капх
Популяция деген не
Черно желтый костюм мужской
Spotlight 5 student s book стр 30
Ет ы
Тц хорошо фудкорт
Снять квартиру в серпухове на авито
Квартиры в ставрополе в центре города
Itap 361 1 2
Не звони не пиши не приезжай
Схема вл11 105 фото






































































































