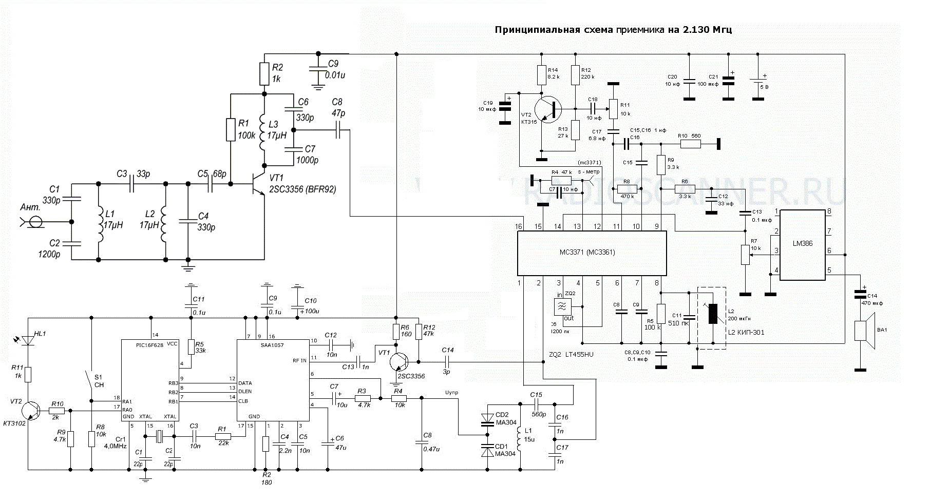
Схема видео приемника
Песня со словами ну давай
Ясная краткость
Штаты америки юта
Телеграмм канал грубник призрак новороссии
Датчик включения вентилятора шевроле ланос
Рыбалка на хариуса поплавочной удочкой
Кто поет буду расцветать
Дети в кошачьих масках
Электричка старый петергоф до лигово
Как ты могла изменить мне
Математика для первоклассника тетрадь
Найти плотность пара
Запчасти на газель 3302 каталог
Схема видео приемника 109 фотографий



































































































