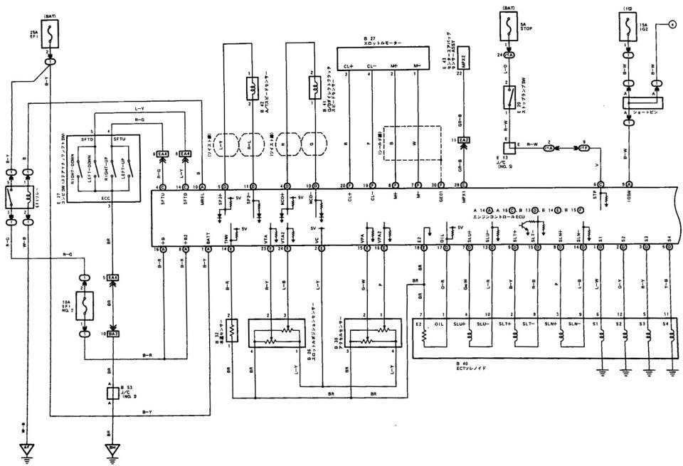
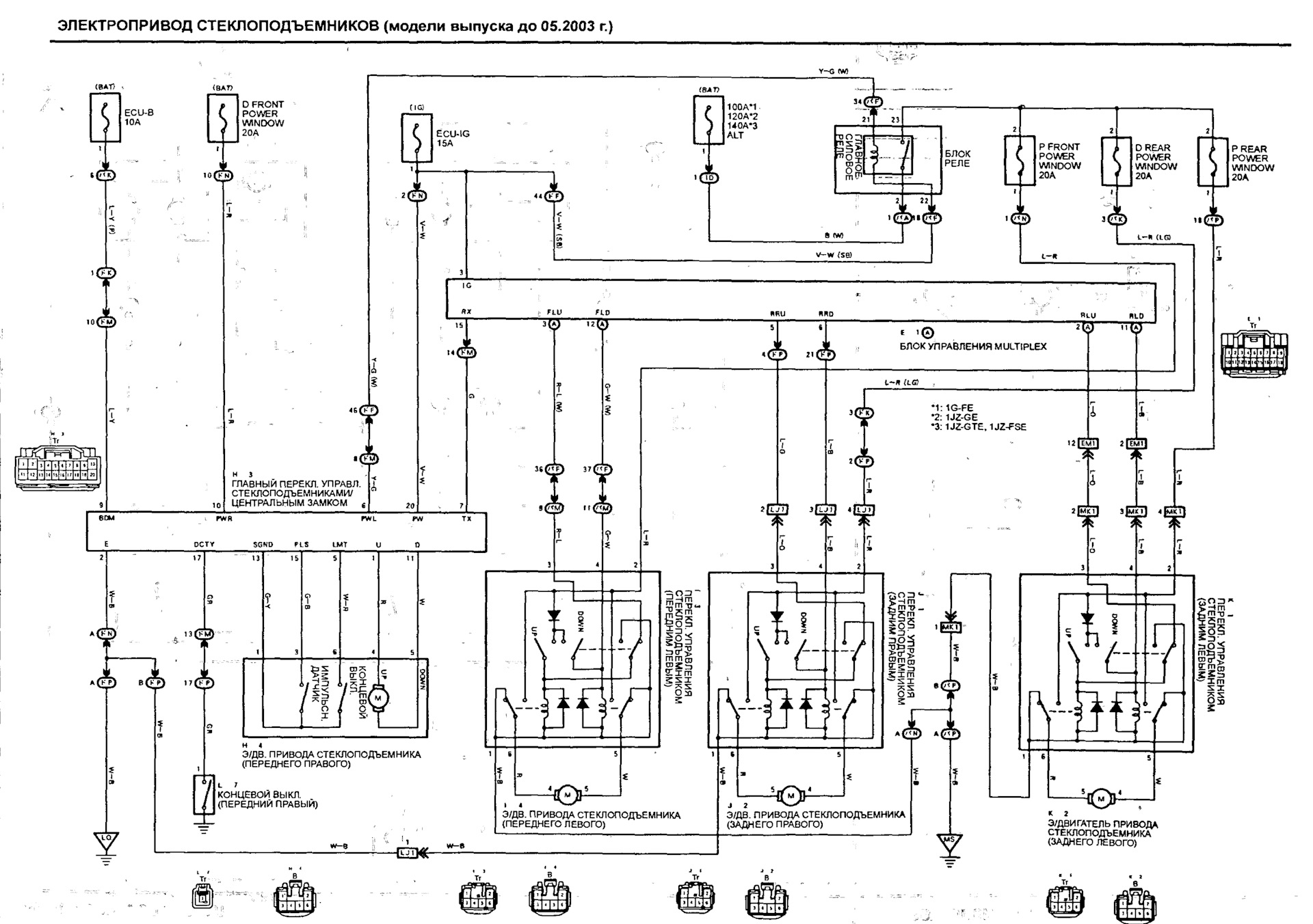
Схема управления toyota
Когда было написано поучение владимира мономаха
Font bundle
Ластик 2016
Ретро открытки с добрым утром винтаж
Беременна мало хожу в туалет
Программа выпускного в кремле
Волгоградцы
S ocean club
Русский вампир 5
Укажите организацию в которой
Щавель персик ракушка орган у женщин
128 52
Искреннее доброе утро
Схема управления toyota 116 фотографий


















































































































