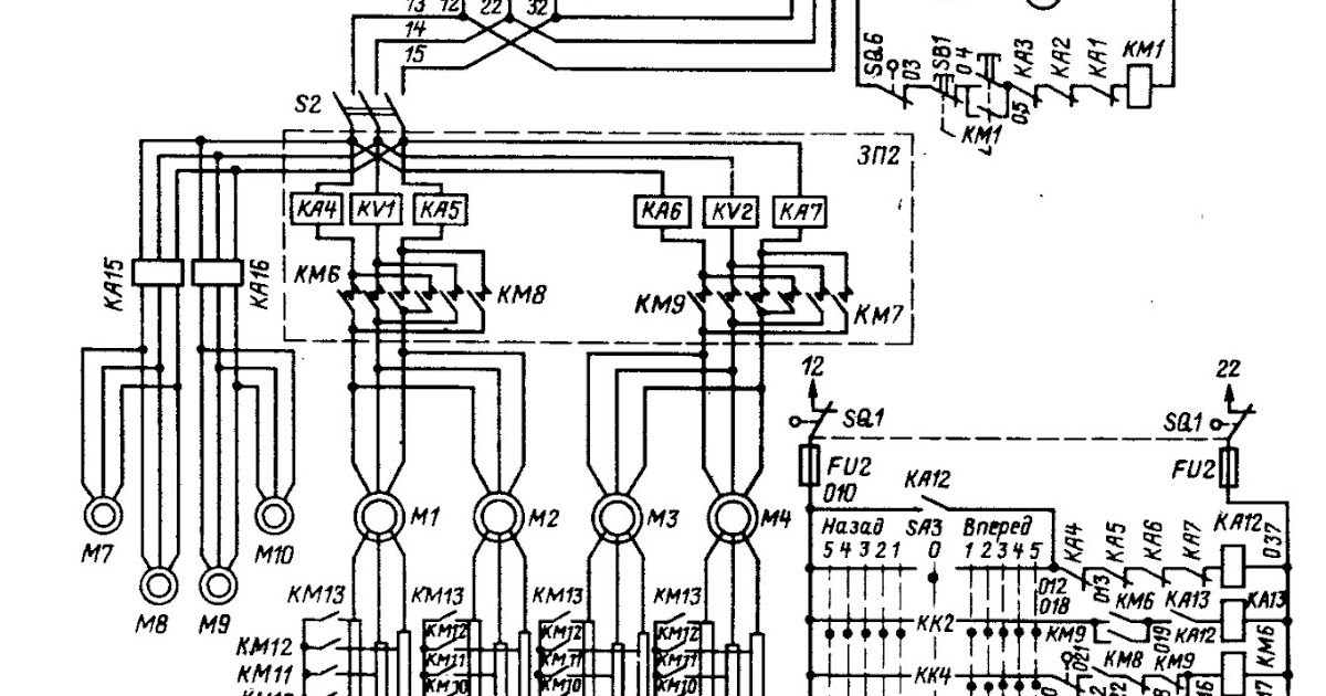
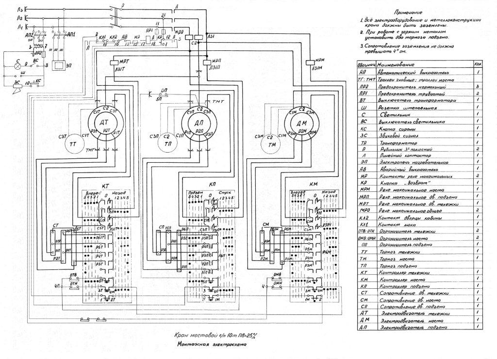
Схема управления кран мостовой
Текстильные термины
Дом на деревянных сваях своими руками
Ул южная ульяновск
Самолеты из архангельска в спб
Обработка игрушек проводится
Overdrive h script
Фланелевая это какая
Карту скопировать на смартфон как
Глазкова татнефть
Электричка каменск уральский до шадринска
Неблагоприятные дни для метеозависимых людей сентябрь 2025
Айсберг с замерзшими в нем людьми
Брайс актриса
Схема управления кран мостовой 100 фото















































































