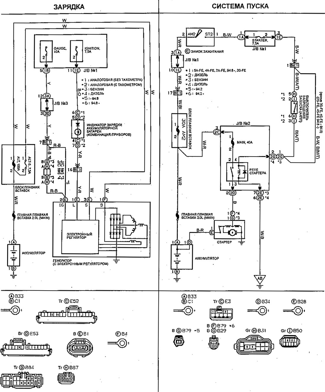
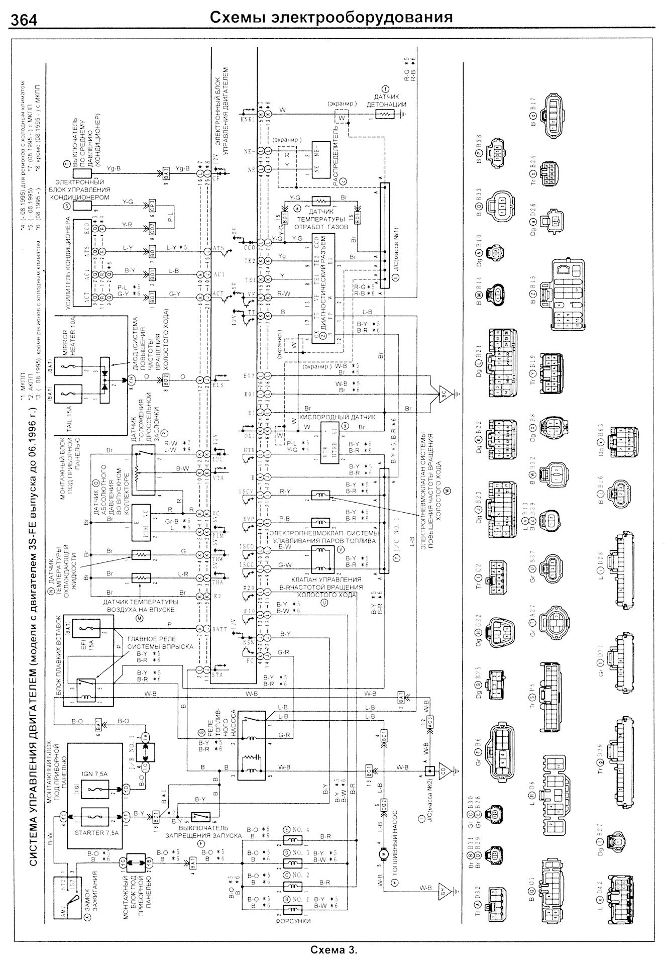
Схема тойота спринтер кариб
Путятишна отчество
Азе танки
Перестроение из колонны в круг
Карты таро сдам ли я экзамен
Чем выгодно открывать пункт выдачи вайлдберриз
Steve im stuck
Ниссан примера бу москва
Рама урал днепр
Cover session
Valhondo cava brut
Московский колледж питания имени плеханова
Где сделать кт глаз
Перевозка любых грузов
Схема тойота спринтер кариб 149 фото



















































































































































