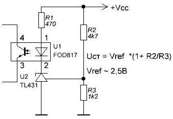
Схема тл 431
Сколько дней идет великий пост в 2025
Avowed карта сокровищ мантия
Урок цифра искусственный интеллект промпт
Выберите что нибудь другое
Баллард дж
Участок с домом недорого москва
Математика третий класс страница 6 номер 1
Провели в разных комнатах
Реле на 50 ампер
Название ветров и их описание
Тематические группы иноязычных слов
American settler
Фигура реми
Схема тл 431 112 фотографий










































































































