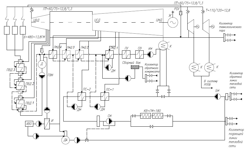
Схема тепловой станции
Органайзер кабельный горизонтальный 19 гко 4.62 9005
Новости тольятти девочка зарезала сестер
4722 18
Авито меняю дом
К чему снится свадьба девушки с другим
Аккумулятор 68 ампер
Rfr yfxfnm buhe
Фиолетовый кристалл название
Акция шагающий автобус в школе
Разница пемброк и кардиган
М22 75
Открытки дедушке своими руками от внука
Безрассудное сердце 2011
Схема тепловой станции 101 фото



































































































