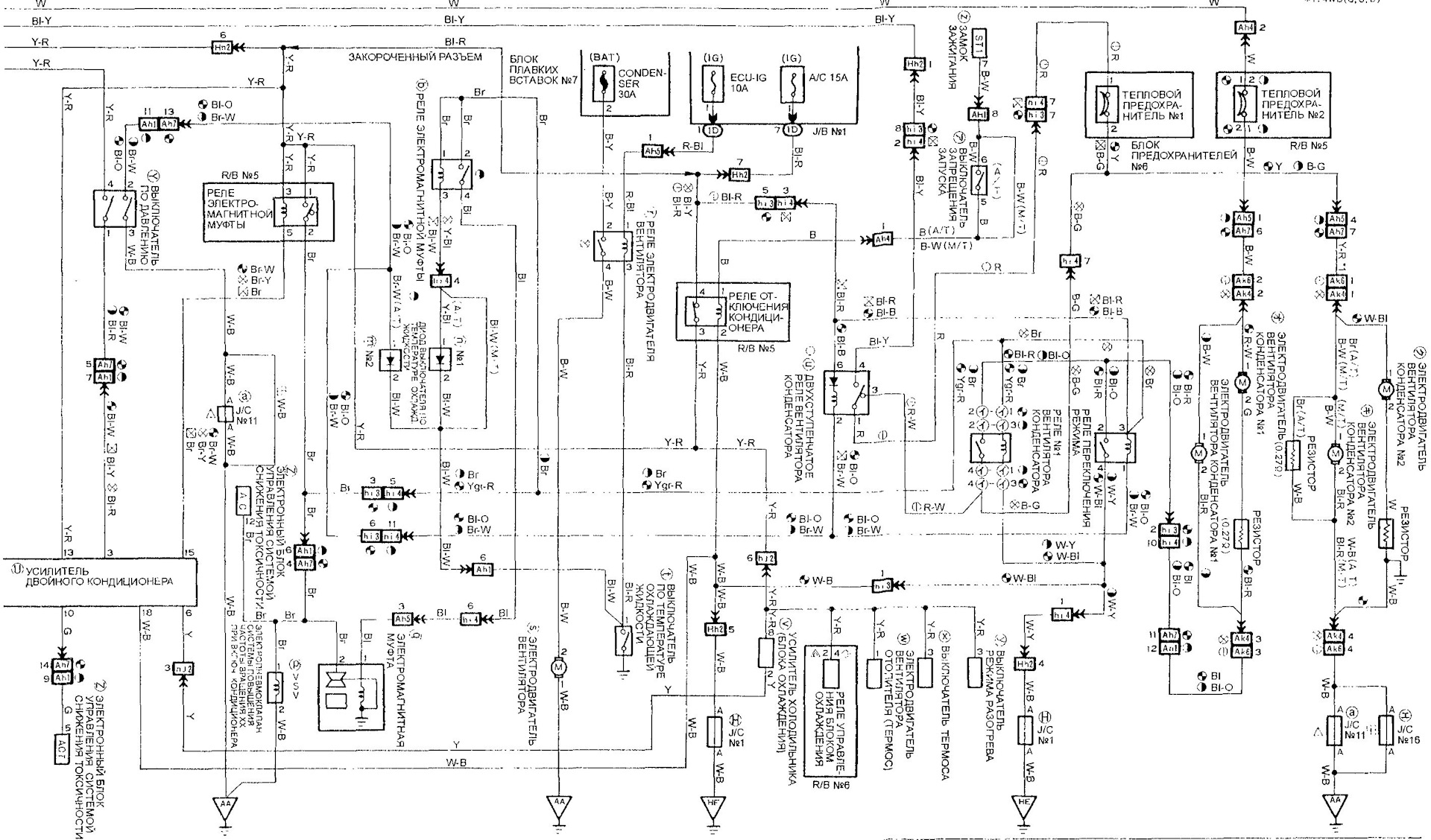
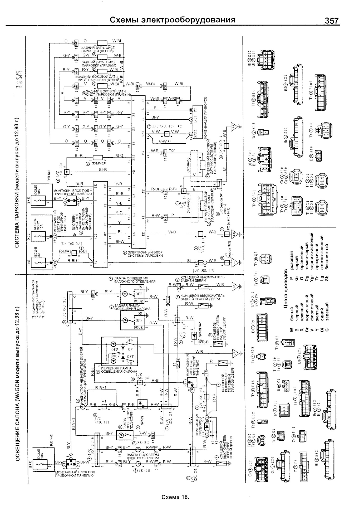
Схема таун айс ноах
Книги семенова юлиана список книг по порядку
Шарлиз 5 букв сканворд
Ер мулки
Wildberries слипон
Полость в органе тела 7
Сз ппк
Если я вписан в птс
Такси города новый уренгой
Новое комбо в хомяке 3 сентября
Год выпуска пушкина из лицея
Карточки деление в столбик двузначных на однозначное
First criminal
Cyberpunk update 2.2
Схема таун айс ноах 117 фотографий



















































































































