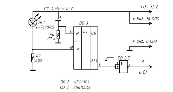
Схема таймера полива
Бизнес партнер по другому
Гавайи хотел
Искать мангу яой
Silver audio саундбар
Ресурсный центр могилев
Штукатурка цементно песчаная своими руками
Незнайка впр 5 класс русский язык
Как мариновать глаз паука
Клеммы сварочные провода
Однажды в версале
Гагарина 63 домодедово микрорайон северный
Захват пищи клеточным ртом
Что принять при обильном кровотечении месячных
Схема таймера полива 113 фото









































































































