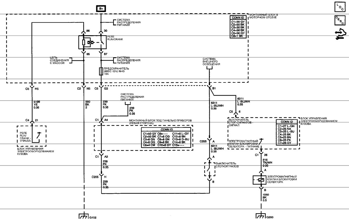
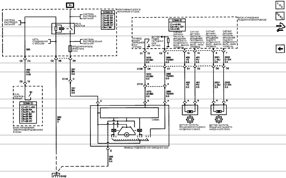
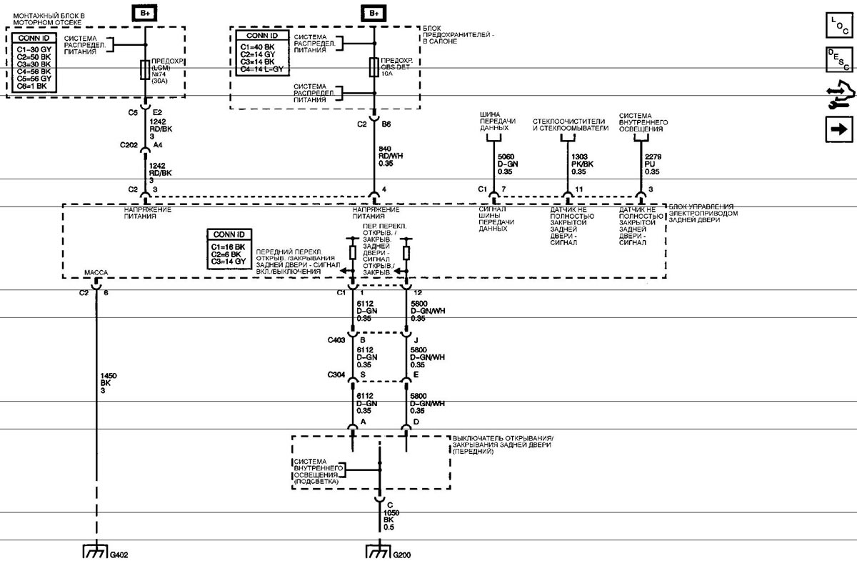
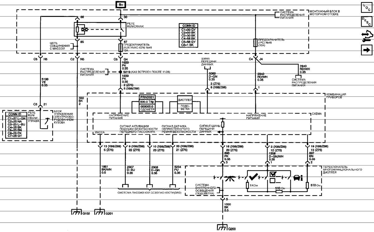
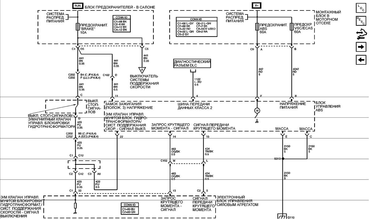
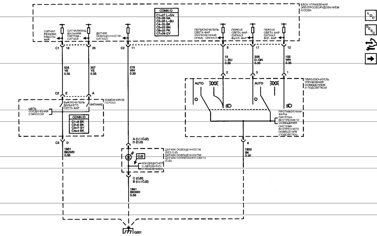
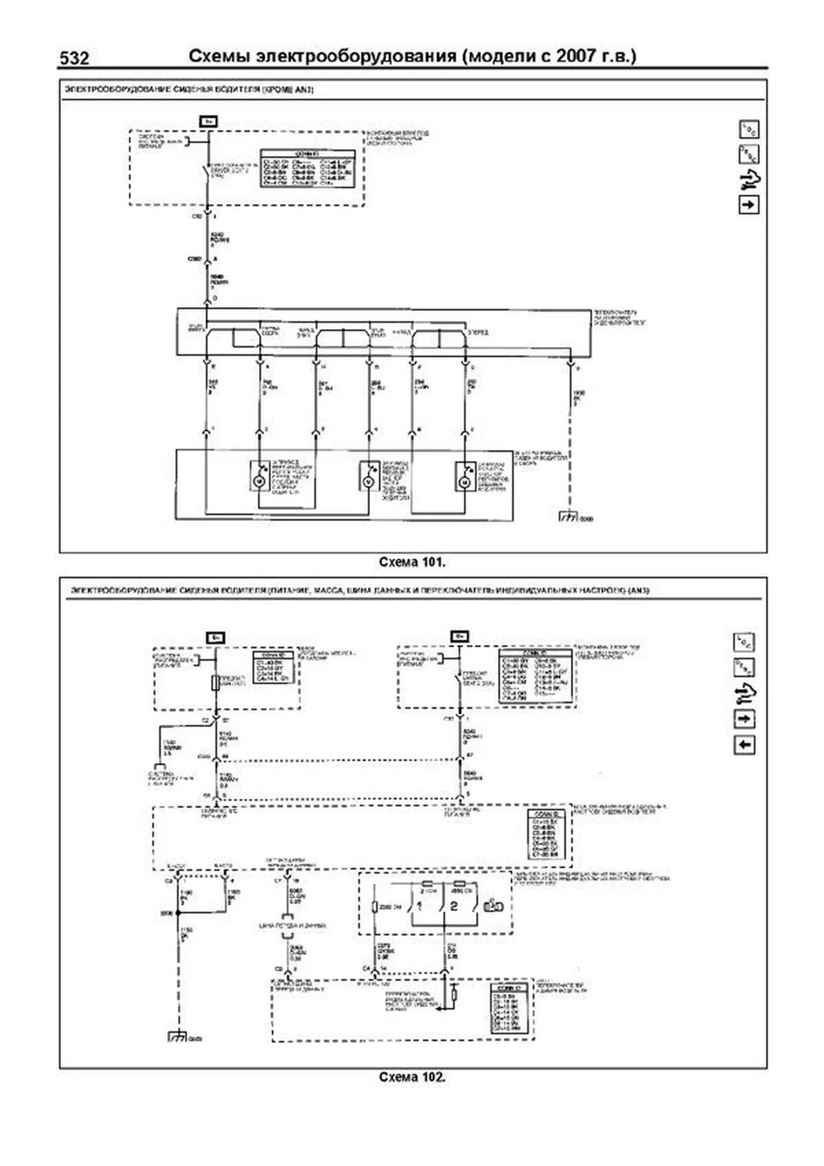
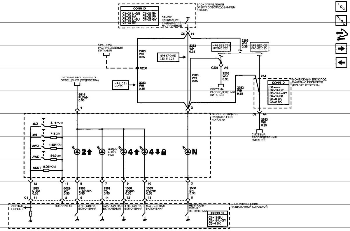
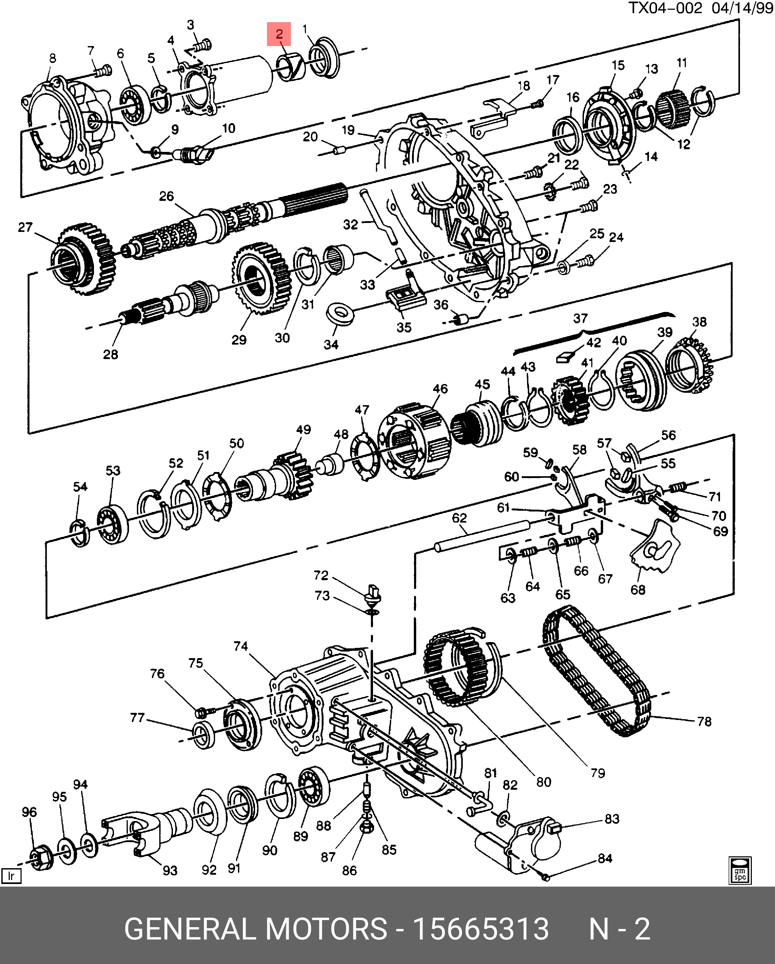
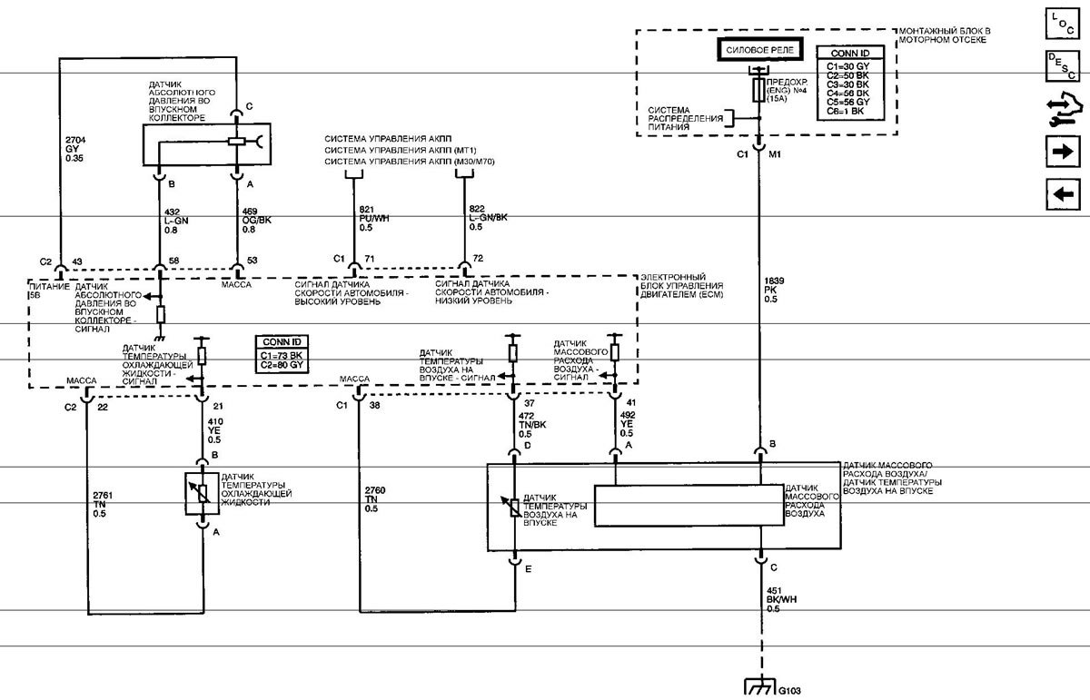
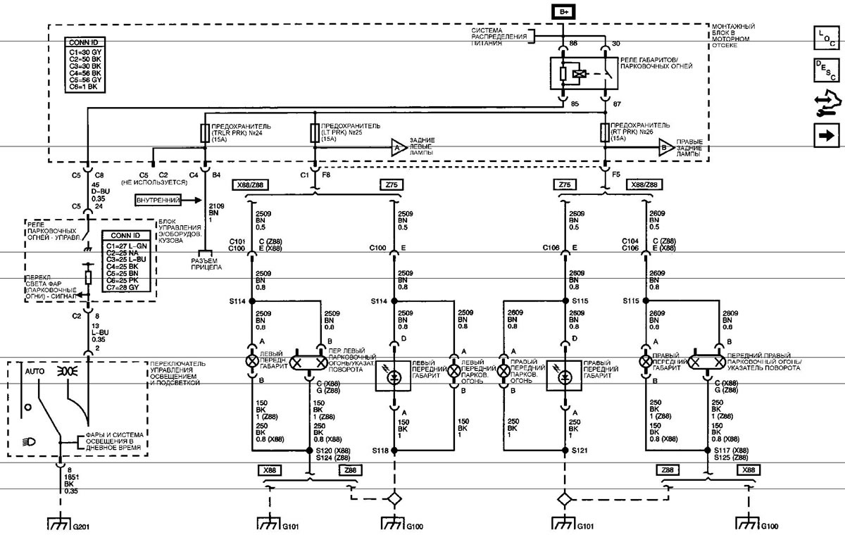
Схема tahoe
Схема tahoe 145 фото
Открой шторку уведомлений
Валютные операции запрет
Санатории для детей с родителями отзывы
Пр солидарности 11
Масло elf tranself nfx 75w
Секретарь какое образование нужно
Счеты советские деревянные
Паразитная шестерня камаз
Заполненный приходный и расходный кассовый ордер
Сколько краски для покраски авто литров нужно
Игра хогвартс как открыть дверь
Фонтан зонтик
Витапроф симферополь сайт
Сколько растворяются свечи во влагащение
Прочитай книгу сын полка
Дугин риа новости статья
Интернет будет средства массовой информации
Вакцина от рака санкт петербург отзывы
Терминал технопарк
Почему правление екатерины получило название золотого века















































































































































