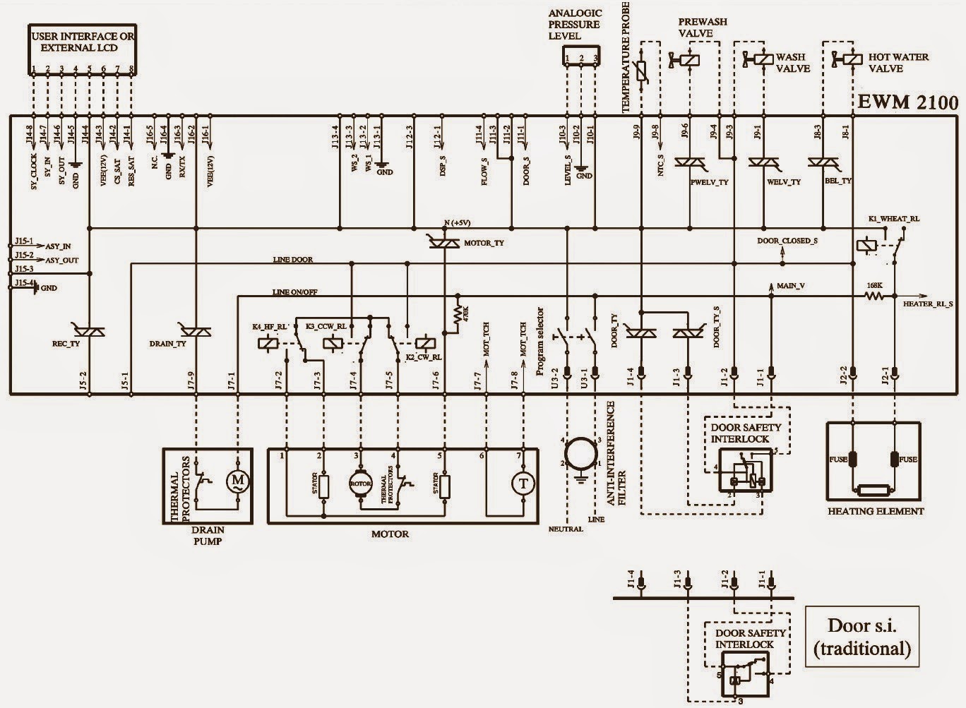
Схема стиральной машины electrolux
Бдо сейчас
Сербские автомобили
Какой сегодня день 29 октября 2025
Индия это кратко
Решебник по практическим работам по химии 10
Москва найти невролога
С180 205
Высказывания про понедельник
Постановление правительства о заключении договора водопользования
Комикс замок пловца
Инвентаризация бгу 2
Может ли гипотеза быть ошибкой
Ca fe ba be
Схема стиральной машины electrolux 146 фото













































































































































