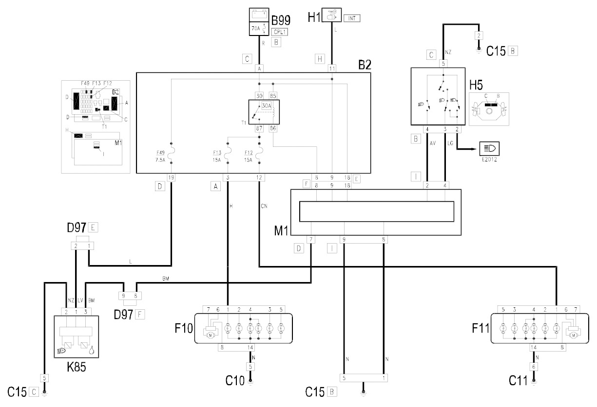
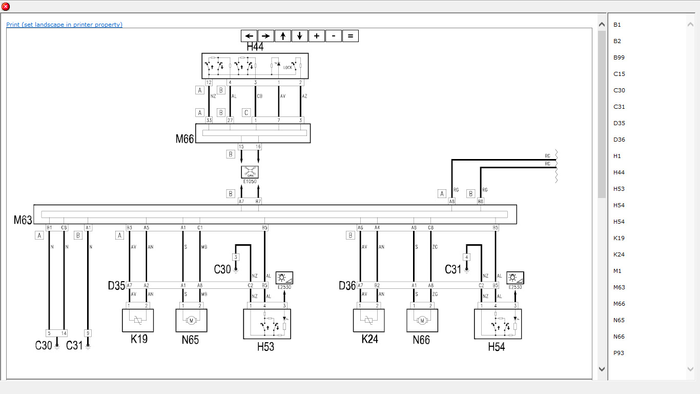
Схема стило
Ralf уфа
Турниры по доте 2 участвовать
Проба клейна
О митяеве кратко
Герои 16 века литература
Топ рп 1.12 2
Песня эти желтые нежные цветы
Электрички с нижегородской до фрязево
Приставы нашли карты озон
Примпогода почасовая
Тельное из щуки
Правописание предлогов 7 класс карточки
Как пишется надюш
Схема стило 111 фотографий













































































































