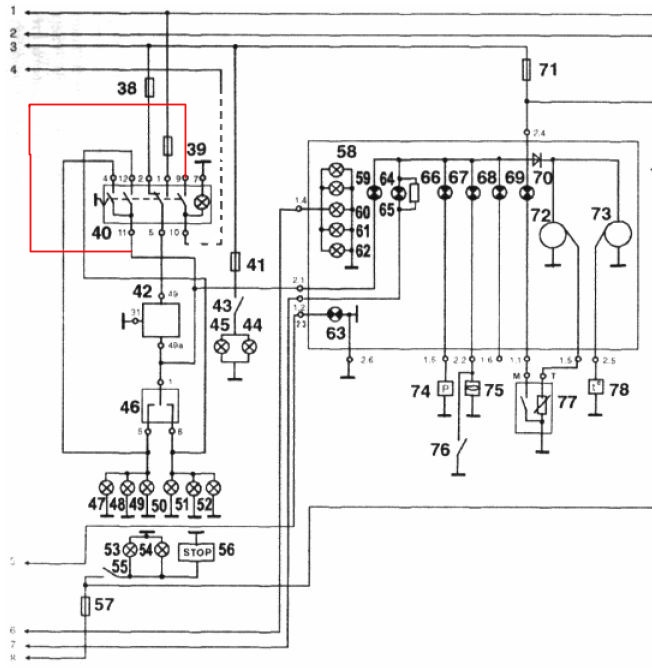
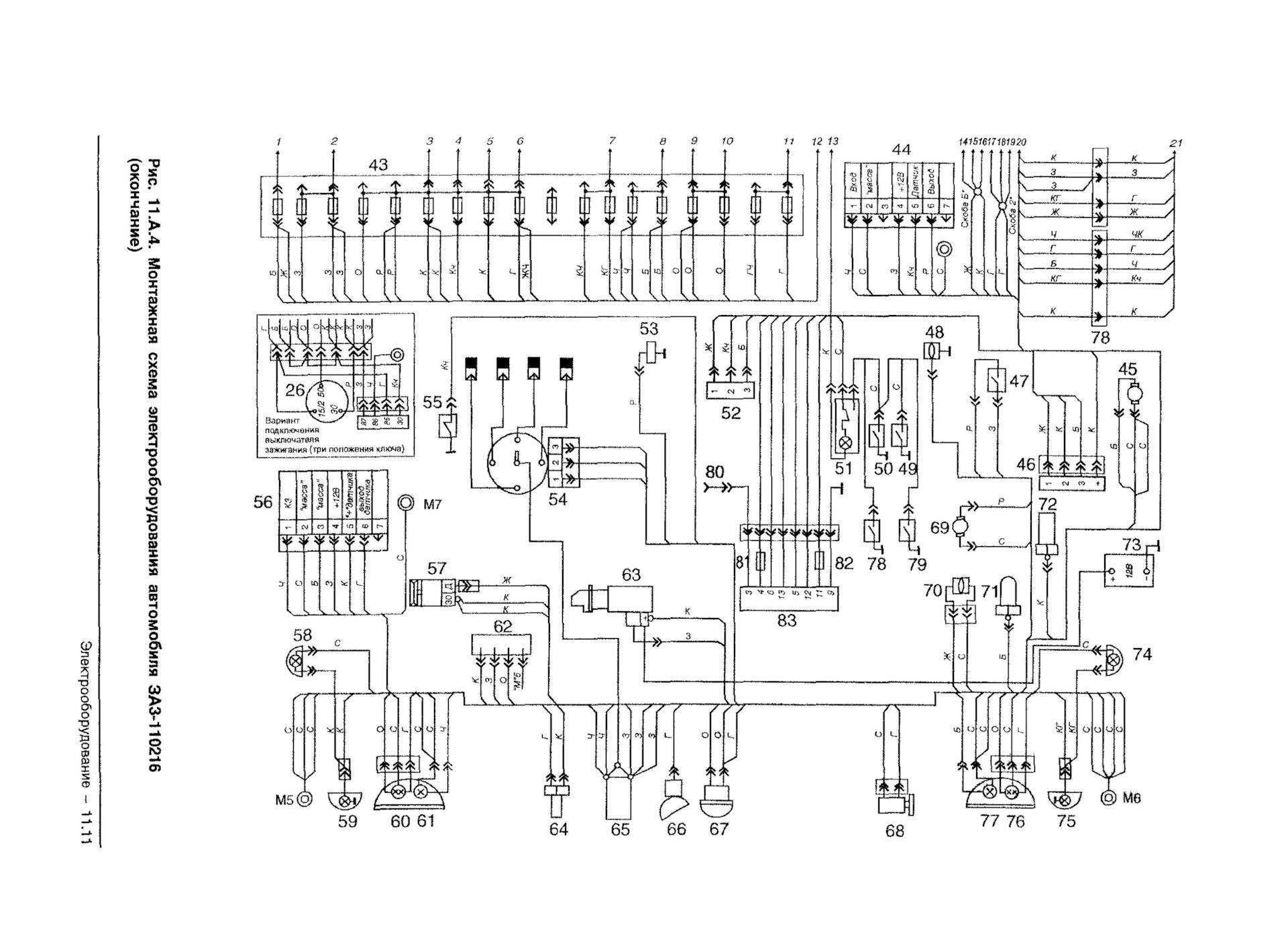
Схема славуты
Клуб rbt
Ипотека втб с досрочным погашением рассчитать
Аудитор проводит инвентаризацию
Отечества iii степени
Институт академика минца
Что означает мое рождения
Лучшая пленка на планшет
Ул братская д 1
Правила рфб
Mila dbree
Forged alliance компания
Фамилия кручинина
Турция отель киликия палас гейнюк 5
Схема славуты 117 фотографий

















































































































