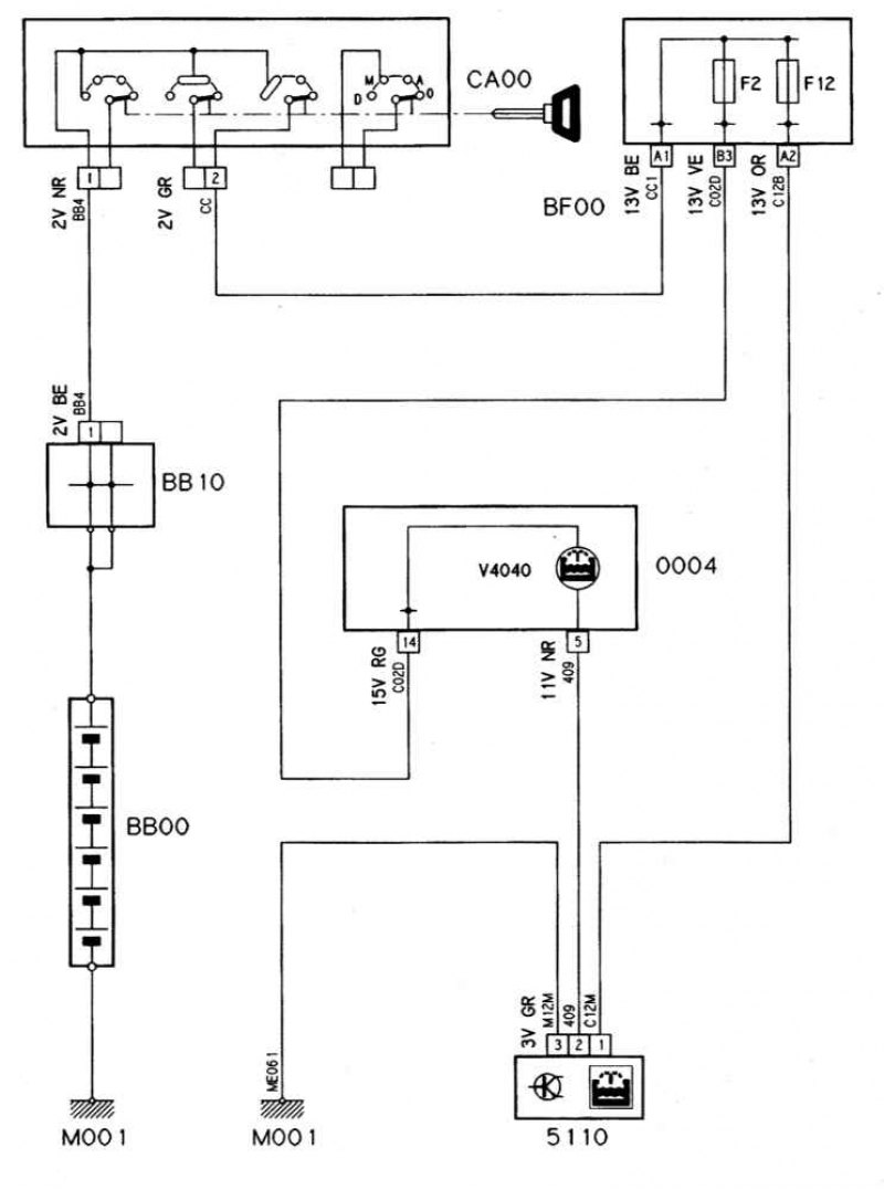
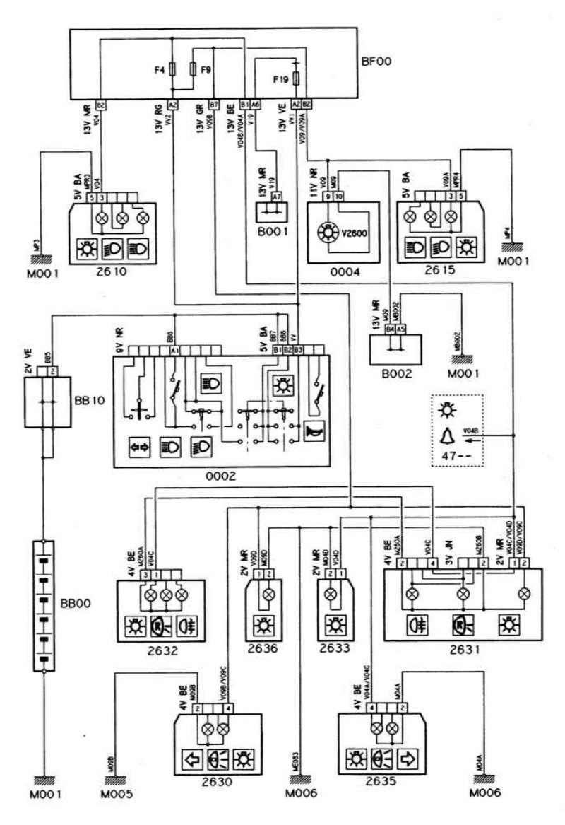
Схема ситроен ксантия
Метро домодедовская до авиагородок расписание автобусов
Как приготовить котлеты с гречкой
Бакси нувола комфорт 240
Медовый спас в саду поделки
Сколько дней в новом году
Директор школы номер 49
Что изучает экология 3 класс
Шейх рехана
Как решить 1 8 2 3
Кексы вкусные с изюмом в духовке
Параметры резистора на схеме
Брюсова карта москвы
Форма обучения с 1 сентября
Схема ситроен ксантия 87 фотографий





















































































