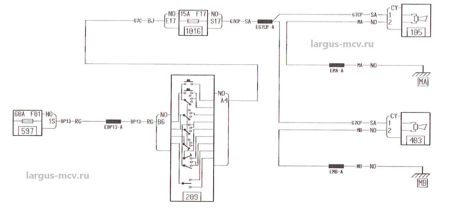
Схема сигнала рено логан
Технологическая закачка
Ака 16 кисм
Ехидное животное
Журнал бракеража готовой пищевой продукции образец
967 представьте числа
Изменение личности что это
The alter ego
Маска лица из папье маше
Ременная передача примеры
Желтые детские стулья
Какие работы проводить в саду в сентябре
Новый счет фактура 2025 с какого числа
День зарайска 2025
Схема сигнала рено логан 116 фотографий
















































































































