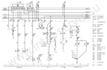
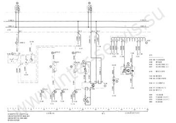
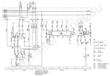
Схема шахман х3000
Схема шахман х3000 115 фото
Мальдивы в сентябре погода отзывы
Цыпленок 45 дней
Расписание храма в реутове казанской иконы
Человек который разговаривает с животными
Анн берест
Проведение генеральной уборки в отделении
Баклажаны рассада вредители и болезни
Меркурий фискальная касса
Дом 2 новая жизнь вечерний эфир сегодняшний
Таблички брайля требования

















































































































