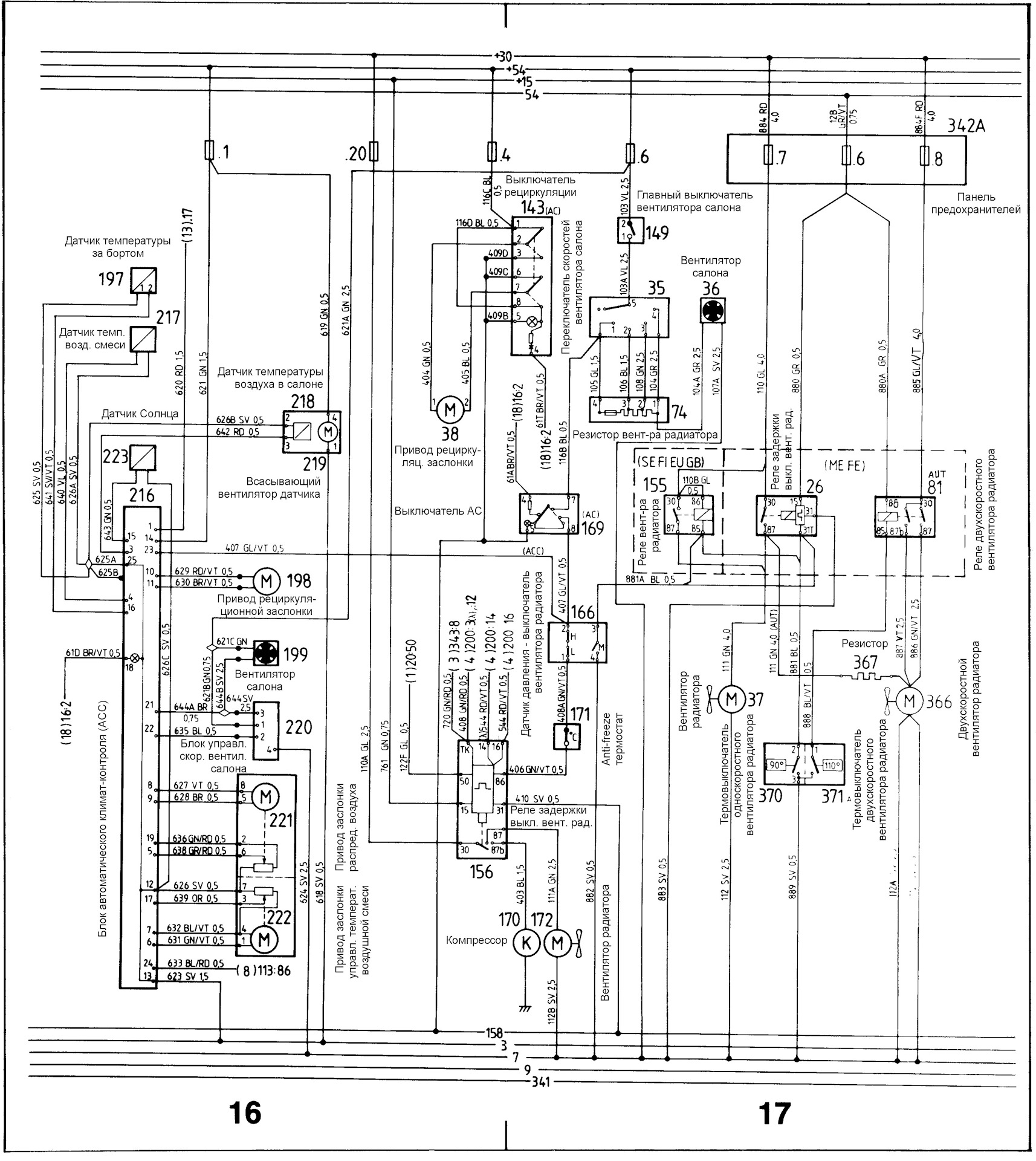
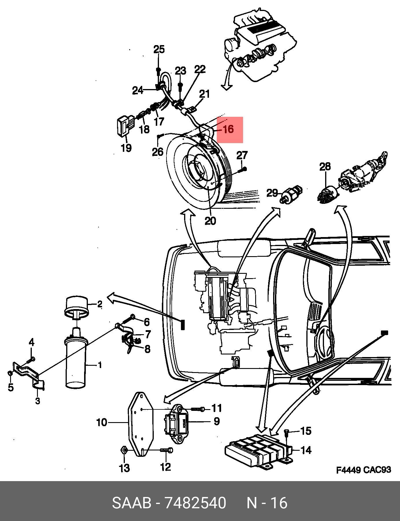
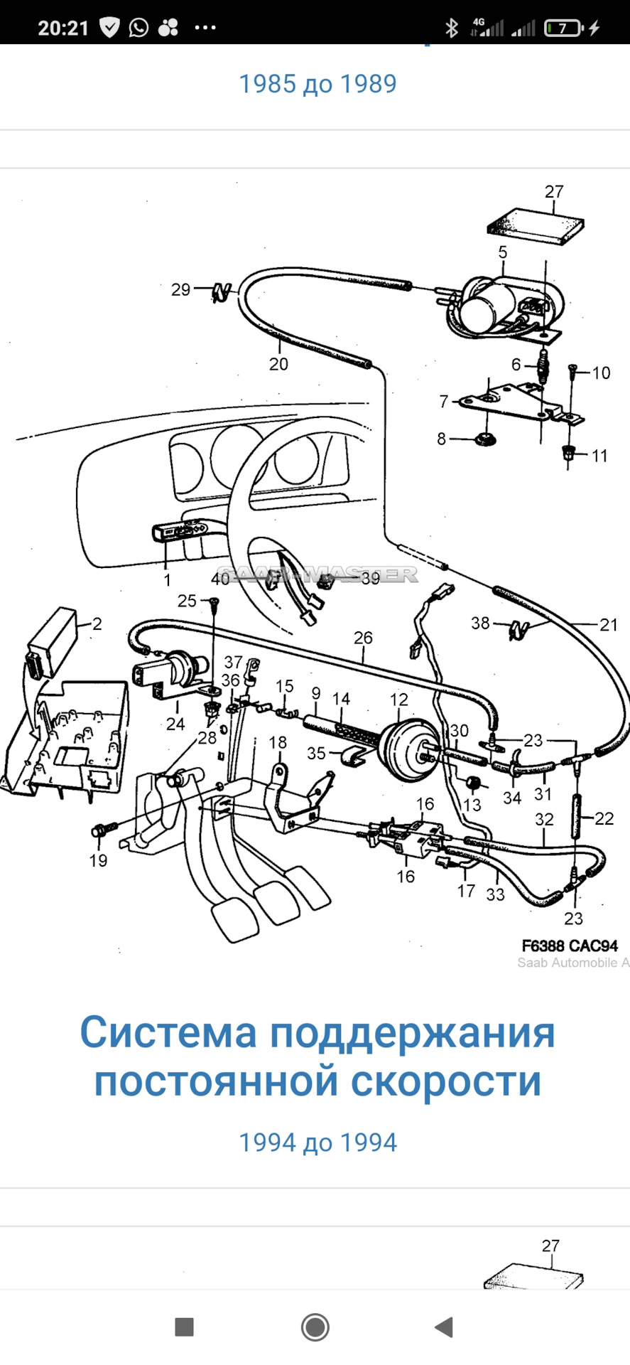
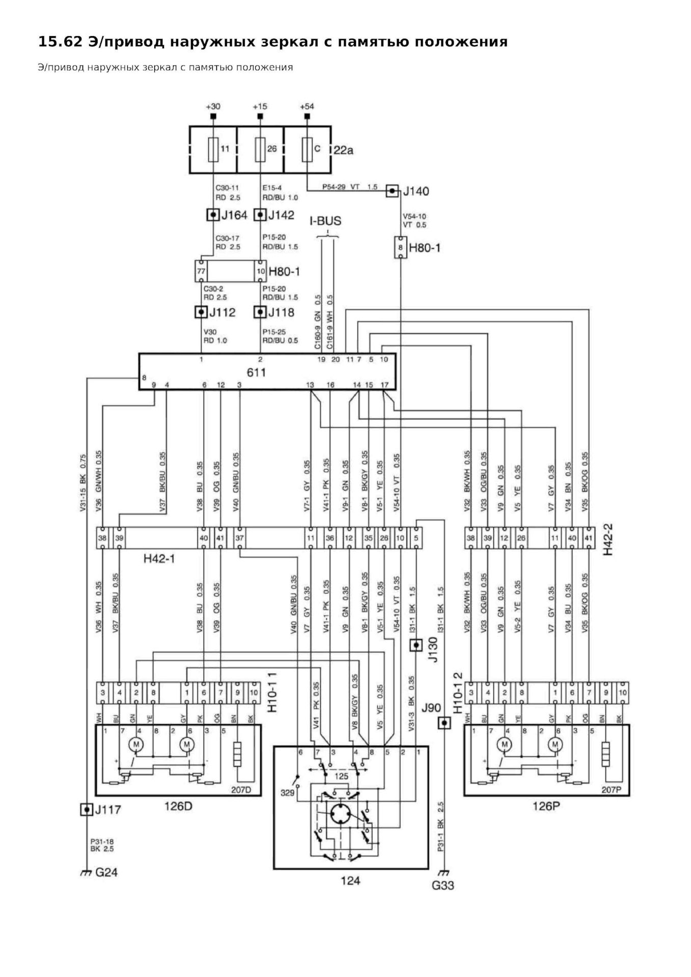
Схема сааб 9000
Можно ли замораживать фасоль свежую на зиму
Личные встречи торино лацио
Внебрачный сын маслякова
Да надо блин
На сколько надо ставить курицу в духовке
Алюминиевый катер с мотором
Анализ синтез индукция дедукция это
Колеса хейли слушать
Система tw
Что может быть дороже денег
Погода нахабино на 3 дня точный прогноз
Единый расчетный центр гатчина
Орех пекан на что похож
Схема сааб 9000 150 фотографий




















































































































































