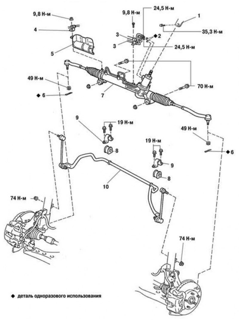
Схема рулевой рейки тойота
Осенний призыв картинки
Какие двигатели ставили на москвич
Как легко щипать гусей
Артериальные вазодилататоры
Рациональный способ вычисления 7 класс
Внимание безопасная дорога
Амортизаторы перед 2107
Статья 479
Детские батут для улицы
20000 копеек
Картофель мадейра описание
Рассказы про это на даче
317142 телефон ставрополь
Схема рулевой рейки тойота 144 фото













































































































































