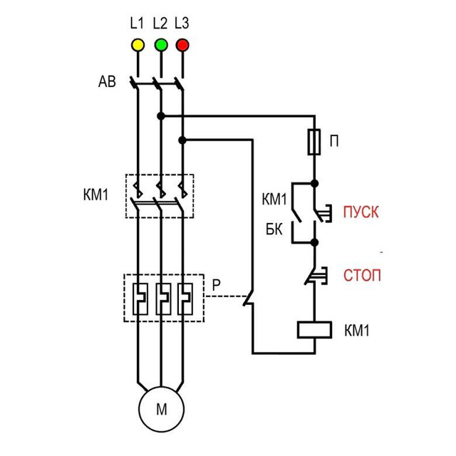
Схема пуска электродвигателя через пускатель
Как оформить карту алга
Сколько заряжать аккумулятор автомобильный 60 ач
Деревня борок вологодская область
Гороскоп на 23 августа
Ирек энварович министр
Лидс клуб
Песков последние видео
Дедушка моем мечты
Действия электрического тока в металлах
The world radio edit
Sharmax power 190
Кухонные уголки из массива дерева
Биология 5 класса 1 параграф
Схема пуска электродвигателя через пускатель 108 фото







































































































