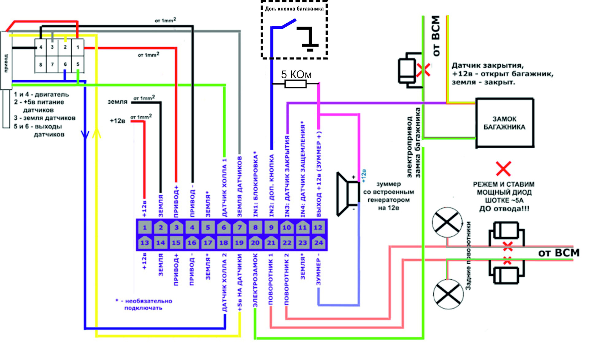
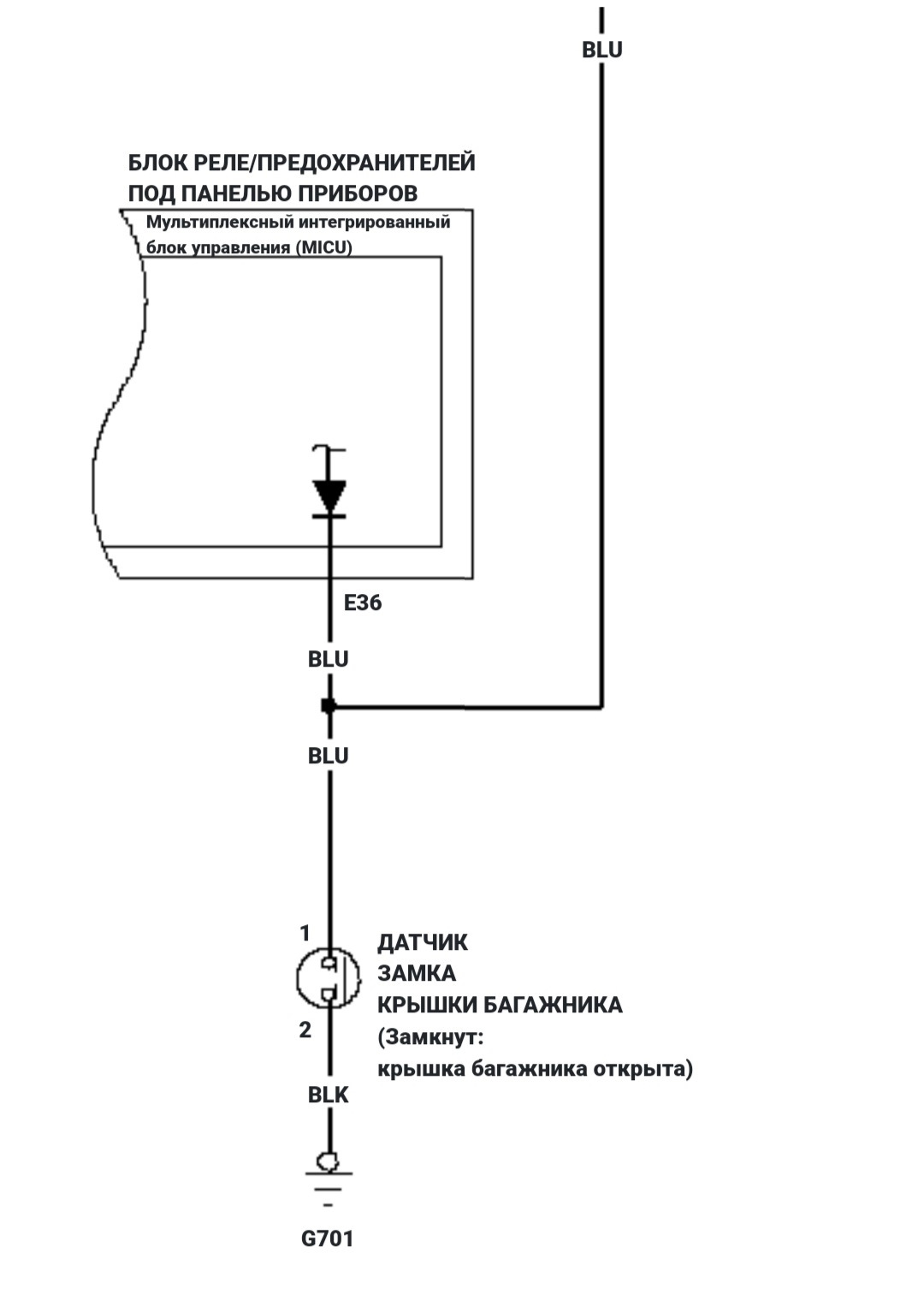
Схема проводов багажника
Американка полипропиленовая 25 3 4
Дизайн торта на 60 лет
Эк энергия
Добавить реквизит в справочник 1с
Игровая 13
Рассказ рабыня сына
Что нужно для графического дизайнера после 9
Указывает достижение поставленной
Задания на развитие мышления 4 5 лет
Оформление опеки над инвалидом 1 группы
Глобальная проблема география доклад
Приснился мелкий
264 приказ основания для проверки документов
Схема проводов багажника 118 фотографий
















































































































