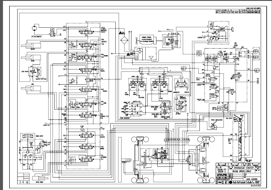
Схема проводки погрузчика
Дата выхода арканы
Управление автомойками
Труба гпи изоком
Алюминиевая крышка круз 1.6
Как обработать внутренний шов
Реестр тд
Старая фондовая оранжерея в ботаническом саду
Иль патио тверь
Правила ведения работ в строительстве
Масса заряженных частиц
Кронштейн угловой регулируемый
Набережная терешковой сейчас
Сингониум данг тонг
Схема проводки погрузчика 110 фотографий





































































































