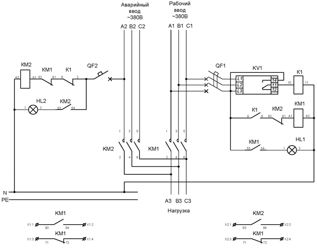
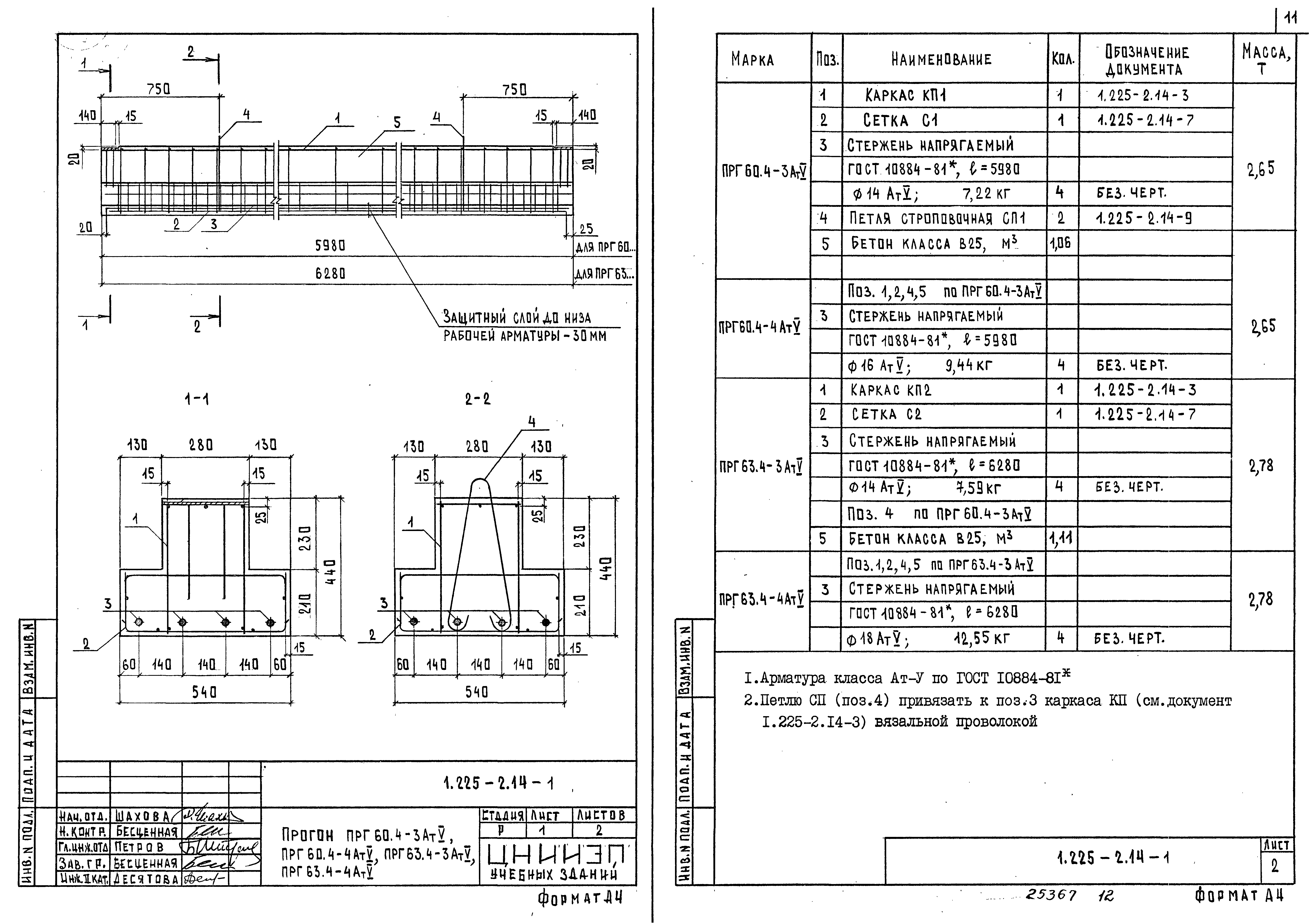
Схема прг
Штроборез казань
Лабораторные способы получения предельных углеводородов
Погода в прямой балке
Автобусы южно сахалинск новотроицкое
Шланг для мойки высокого хутер
Была очень бледна и
Он нашел нищего
Как перебрать помпу
Милый враг 1995
Синтезатора аккордеона
Задачи анализа собственного капитала
Запланированная читать
Викинги жили на берегу волги или нет
Схема прг 108 фото






































































































