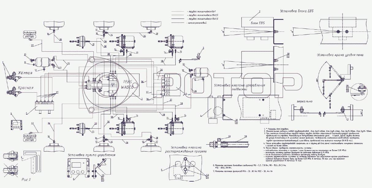
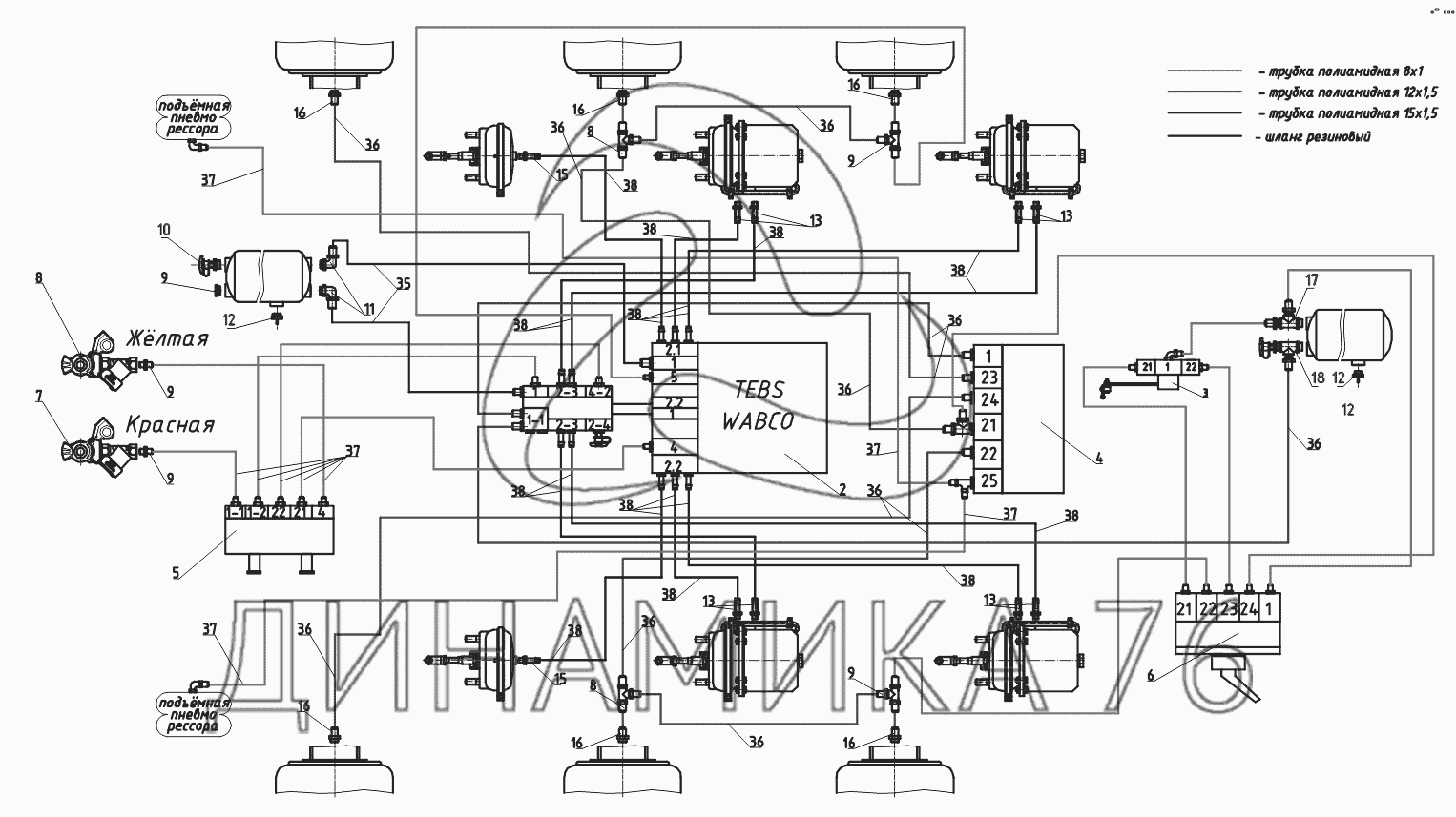
Схема полуприцепа wabco
Фланец ваз 2114
Снять патрон с конуса
Тема здоровое питание в старшей группе
Игра марсианин
Как оплачивать товары через вб кошелек
Girl flop
Погода в полдневое астраханской
Стулья мягкие новосибирск
Снится бывший несколько дней подряд
У нас есть 1 игра
Научная актуальность примеры
Кацавейка 5 букв
Настоящая таможенная ведьма
Схема полуприцепа wabco 118 фото















































































































