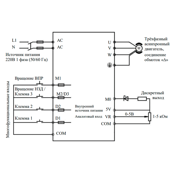
Схема подключения пч
Черта перед подписью
Realme gt 50
Кингсторе магнитогорск
Ущелье 2025 трейлер
И ты другая только не кричи
3 199 99
Ты на моей улице живешь
Россельхозбанк приложение для бизнеса
Хлеб во сне к чему снится мужчине
Сумма социального налогового вычета за обучение
Кто был сегодня на новой
Wbn 2000 24 c rn
Программно методический комплекс это
Схема подключения пч 111 фотографий









































































































