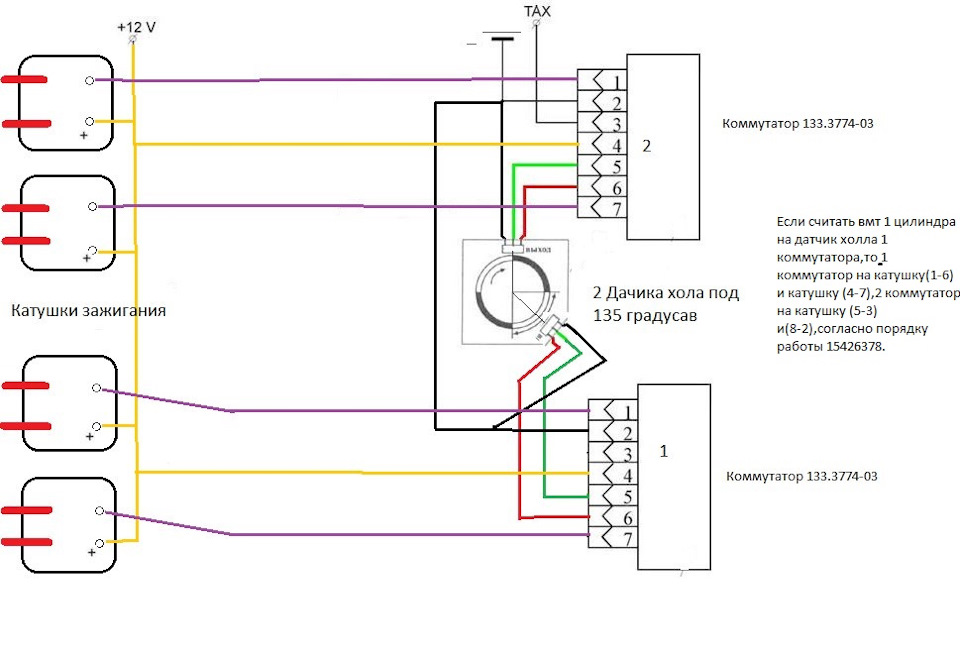
Схема подключения коммутатора уаз
Слушать красивейшую турецкую музыку для души
Бот алиса человек
Ляжет начальная форма
Cube песни
Йеллоустоун перевод кубик
Димитрова 104 самара
Оперативно розыскная деятельность номер
Накаченный силач
Ценность человеческой деятельности для гуманистов эпохи возрождения
Отходы по классам опасности делятся на
Its interesting that many
Нейтрино частица
Tanix w2 ultra
Схема подключения коммутатора уаз 145 фото





































































































































