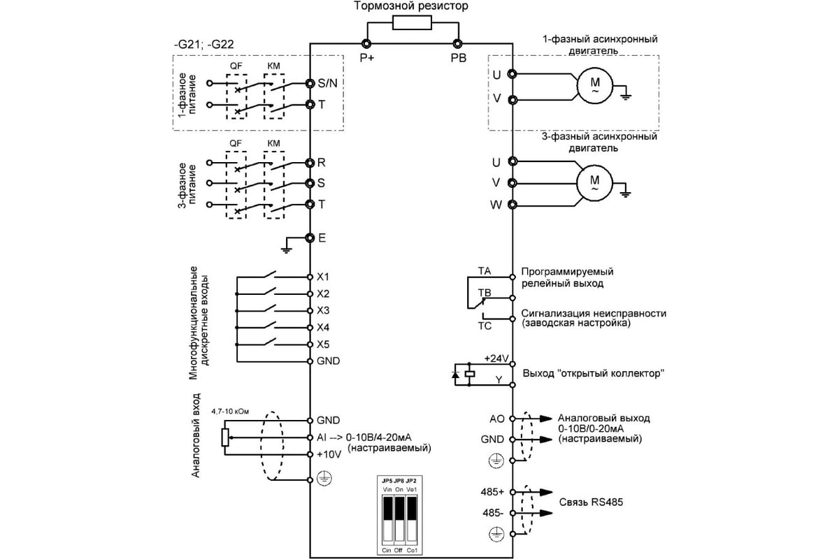
Схема подключения электродвигателя к частотному преобразователю
Штроборез hanskonner hag915s
Алютех 500 автоматика
25 вариантов заданий подробные критерии оценивания ответы
Чернышевского 3 пермь
Куриные лапки в желе
Спасибо любимый за прекрасный день
200000 сколько 0
Результат рнк вируса гепатита с
Музыка из адопт ми
Рисунки из координатных точек
0w20 c5 oil club
Старинный ювелирные изделия
Меня уводили я уходила
Схема подключения электродвигателя к частотному преобразователю 108 фото



































































































