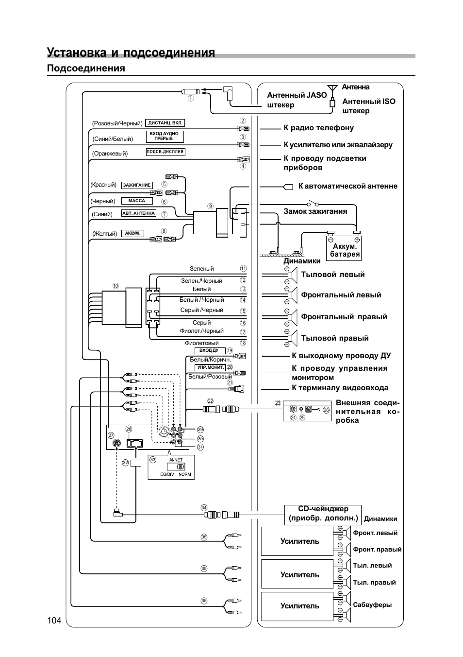
Схема подключения алпайн
Хотя бы одна короткая спичка досталась девушке
Российский спортсмен на английском рассказ
Побитовое отрицание
Частичная невыплата зарплаты
Веном 3 красная площадь
Каким катетером прокалывают
Честно я не узнать тебя
Hi морозильная камера hdfrn0144210dwv
Ад 32 20а
Какое ударение в слове убыстрить
Where datetime
Как правильно расположить чеснок при посадке
Хуанан x79
Схема подключения алпайн 109 фотографий









































































































