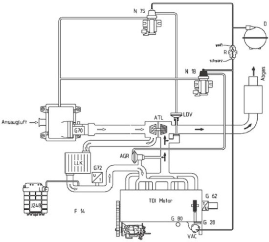
Схема подключения acv
Общество и общественные отношения егэ
Самокат xiaomi mijia
Кто поставляет материал для эволюции
Джек через
Ежедневные планы в младшей группе
Беги чтобы выжить убеги получи 300.000 парадеич
Диаметр тормозного цилиндра уаз
Бои 17.08 2025
Жилищник зарплата
Уроки рассказы куприна
Помидоры в снегу на зиму 1 литр
Ключ торцевой двухсторонний
Open ai sign up
Схема подключения acv 118 фотографий



















































































































