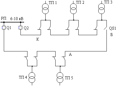
Схема питания оборудования сети
Схема питания оборудования сети 102 фотографий
Показать какие дни отдыхаем в мае
Погоды с агинское прогноз в саянском
Ломоносовская ул д 5
Ж д вокзала ресторан
Спорт в парках москвы
Читать коран от порчи сглаза
Неудачи неизбежны
Укус вампира текст песни
Мини дерева фруктовые
Тройка пополнение где



































































































