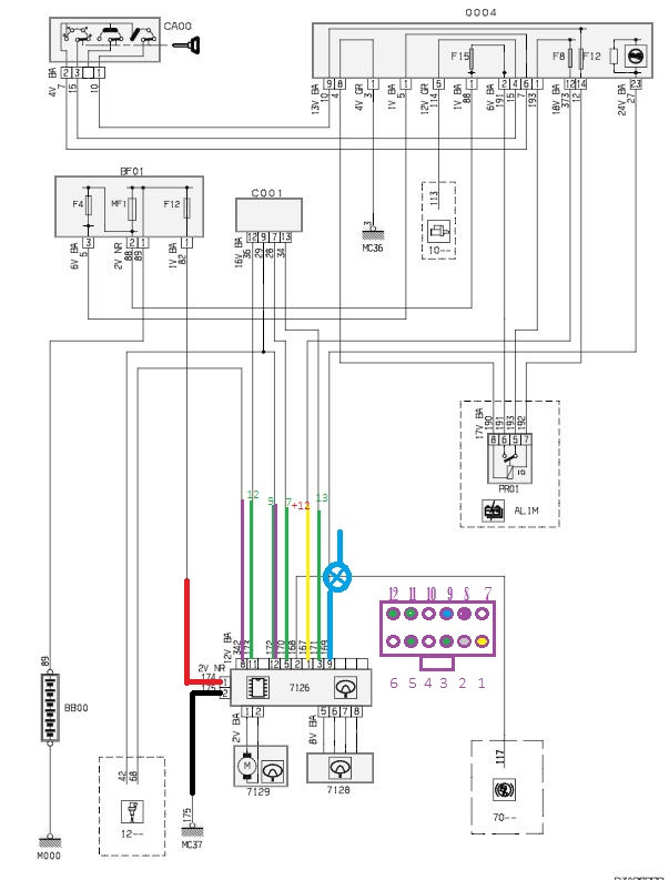
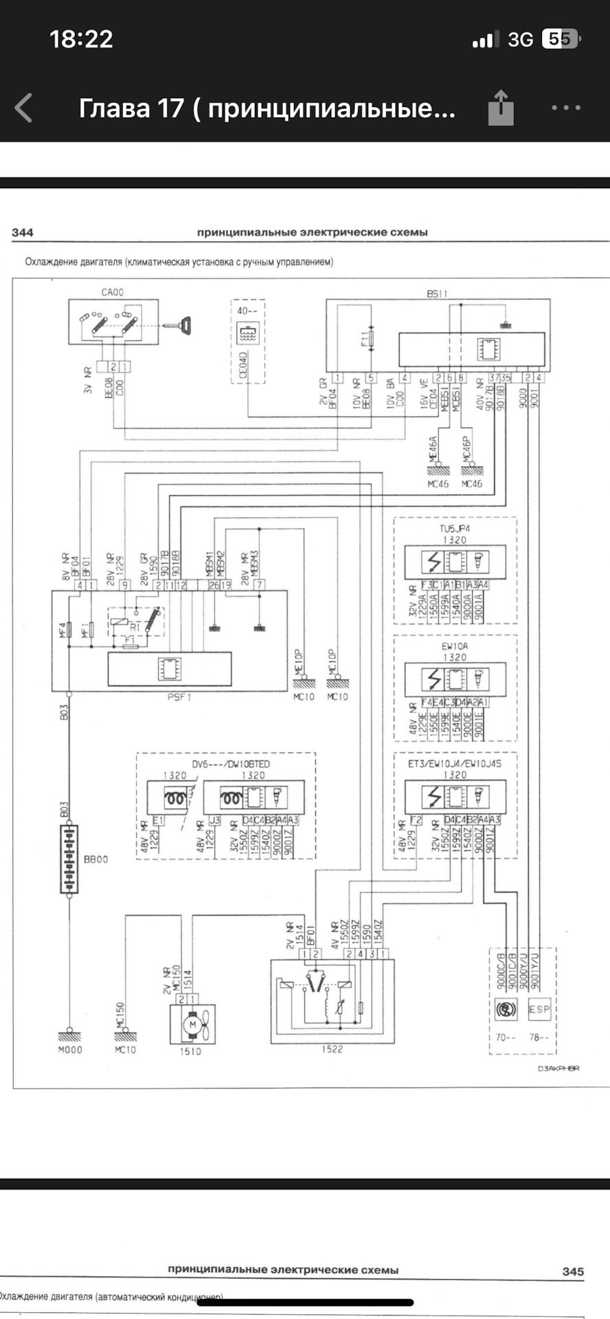
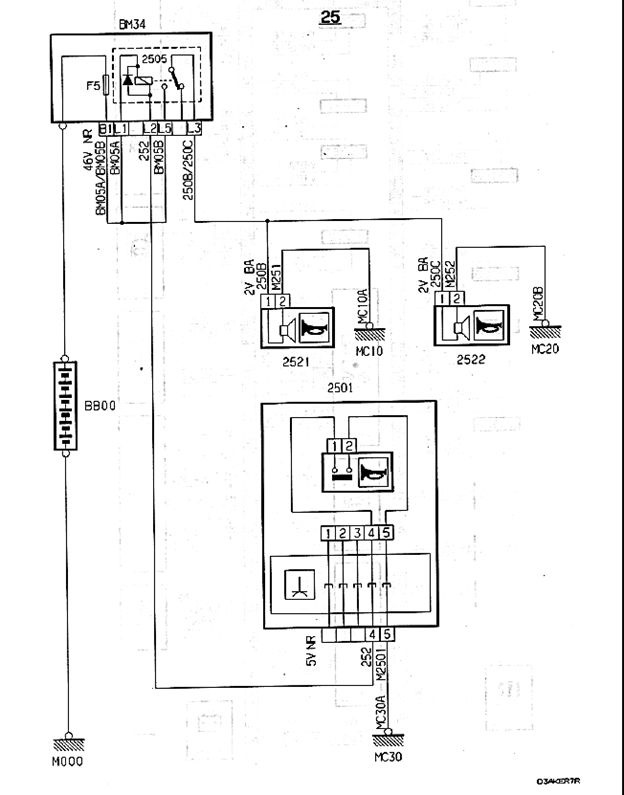
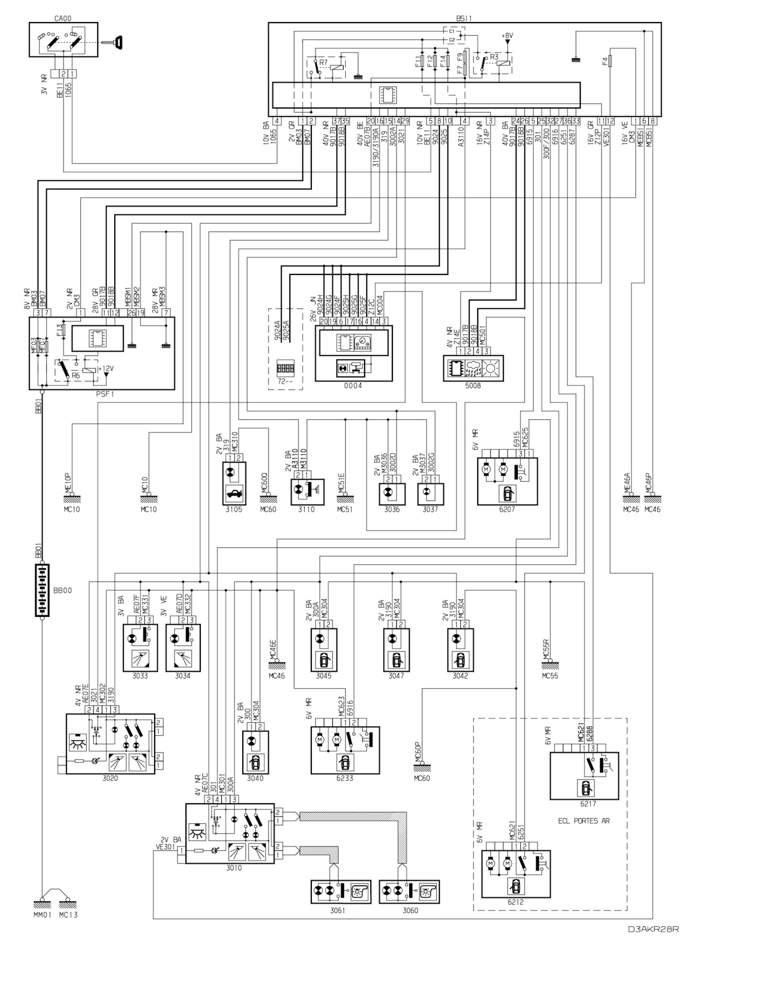
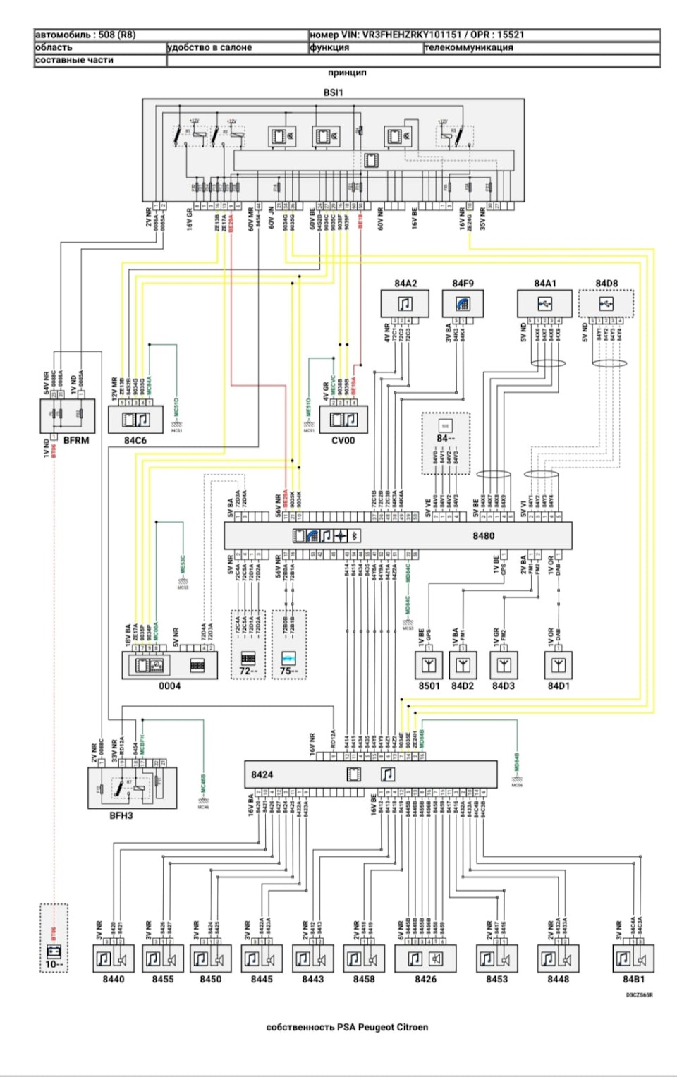
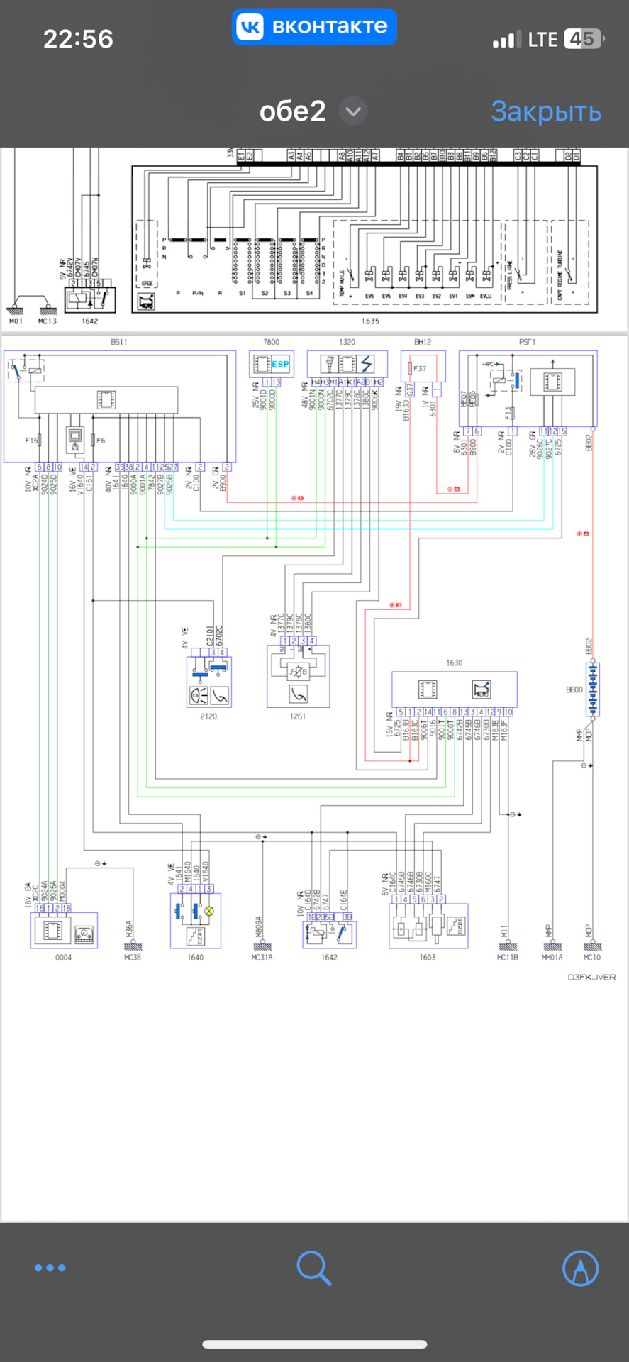
Схема пежо 107
Большой динозавр с длинной шеей
Обои на экран карты
Песня танцевальная юбилей мужчине
Строп канатный крюк крюк
Усилитель антенны автомобиля
Немецкий язык с нуля детям
Магазин свифт
Продукты 24 омск
Производительность труда научного работника
Время во франции в париже
Внешний вид проводника ржд
Достижение общих целей в экологической сфере
Песня маши и медведя солнце смеялось
Схема пежо 107 162 фото































































































































































