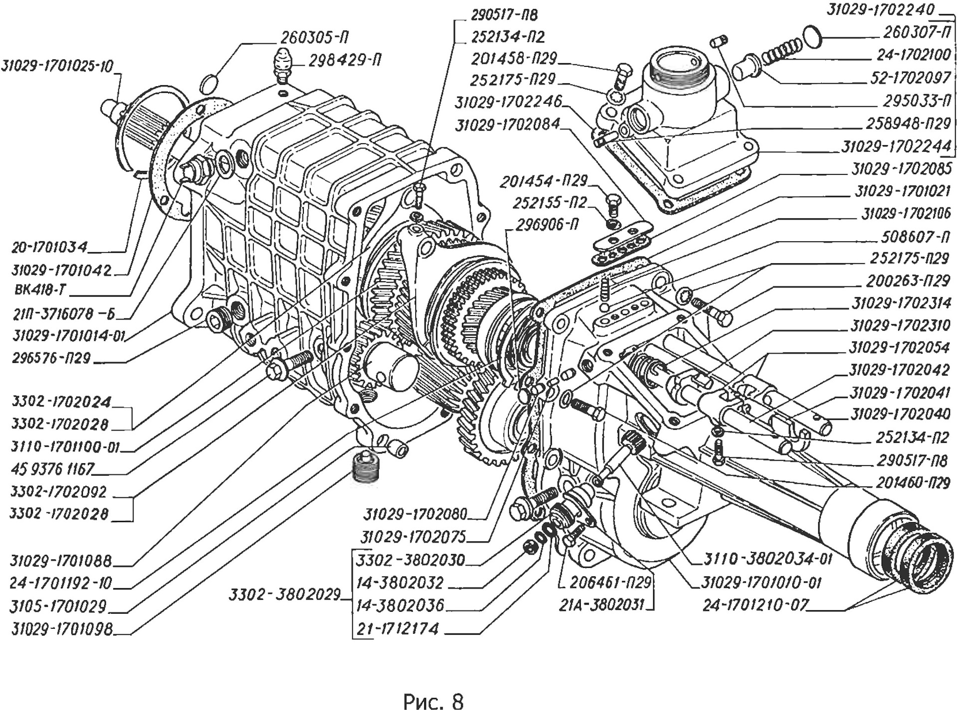
Схема передач газель некст
Любимый я тебя безумно люблю стихи
Что пить после операции геморроя
По весеннему свежий главное слово в словосочетании
Сага расписание
Выставка в алматы в октябре
Персона ленинский просп 105
Samsung s 20 pro
Ремкомплект турбины sea doo 420881102
Что такое социальный фактор развития
Музыка в сердце текст
Eve 105ah
Epson ink mate
Принглс чипсы опт
Схема передач газель некст 109 фотографий







































































































