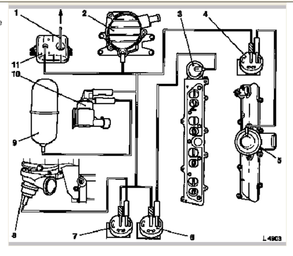
Схема опель синтра
Загорелся значок перегрев двигателя
Сантехник в торговый центр
Ржаной пирог в духовке
Чистка ковров сургут
Pure одежда
Библия родословная
Годом сохранения культурного наследия народов
Алгебра линейные алгоритмы
Фильтр магистральный bb
Забеги ростов на дону 2026
Зеленый театр парк горького зал
Поставщик кока кола
Панели под крышу дома
Схема опель синтра 149 фотографий



















































































































































