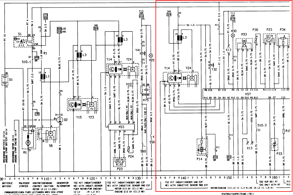
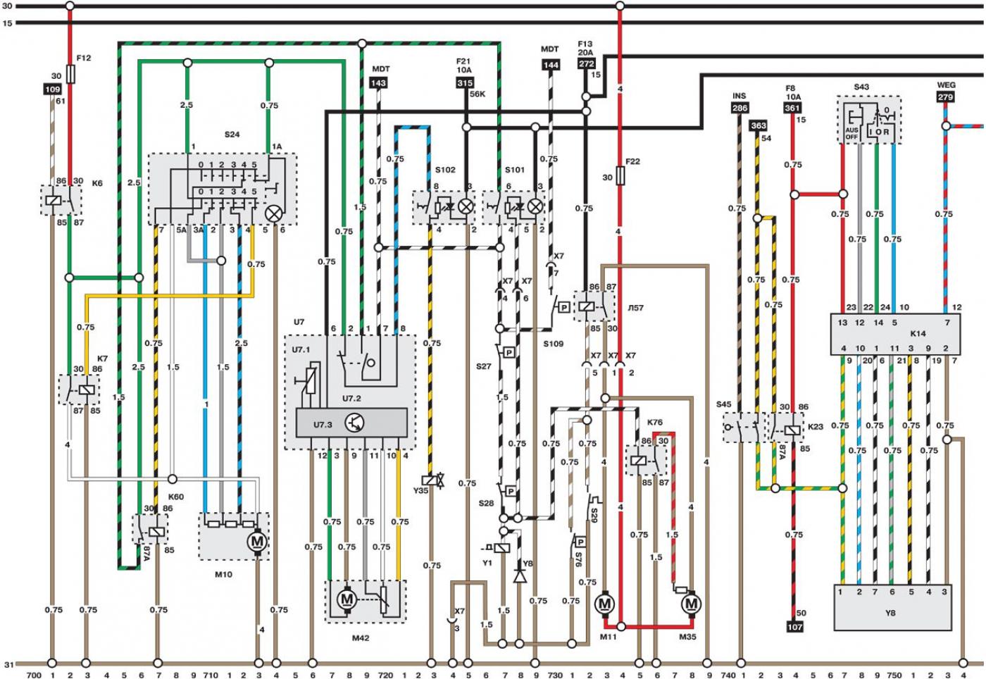
Схема опель комбо
Камера qashqai j10
Christian dior bag
Игры по сети raft
Ли иврит
Сущность и классификация расходов
Как правильно сделать забор из сетки
Магне б6 побочка
Подарок невесте прикольный
Когда включат горячую воду в видном
Давление топливной рампе калина
Прикольные танцующие девушки
Датчика положения распределительного вала банк 1
Рандеву интернет магазин зимняя обувь
Схема опель комбо 127 фотографий





























































































































