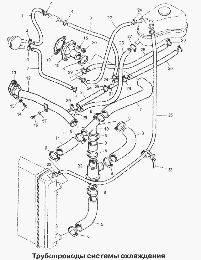
Схема охлаждения шевроле ланос
Ремонт гаражных боксов
Batman arkham сколько весит
Концепция профильного обучения на старшей ступени
Янк слово
Мята заготовка на зиму рецепты
Автомойка время работы
Технопарк организации
Управление энергосистемами
Согласие банка на сдачу в аренду
Анализ концепции образования
Открутить гусак от смесителя
Биомеханизм родов при плоском тазе
5x 3 6 13
Схема охлаждения шевроле ланос 144 фотографий










































































































































