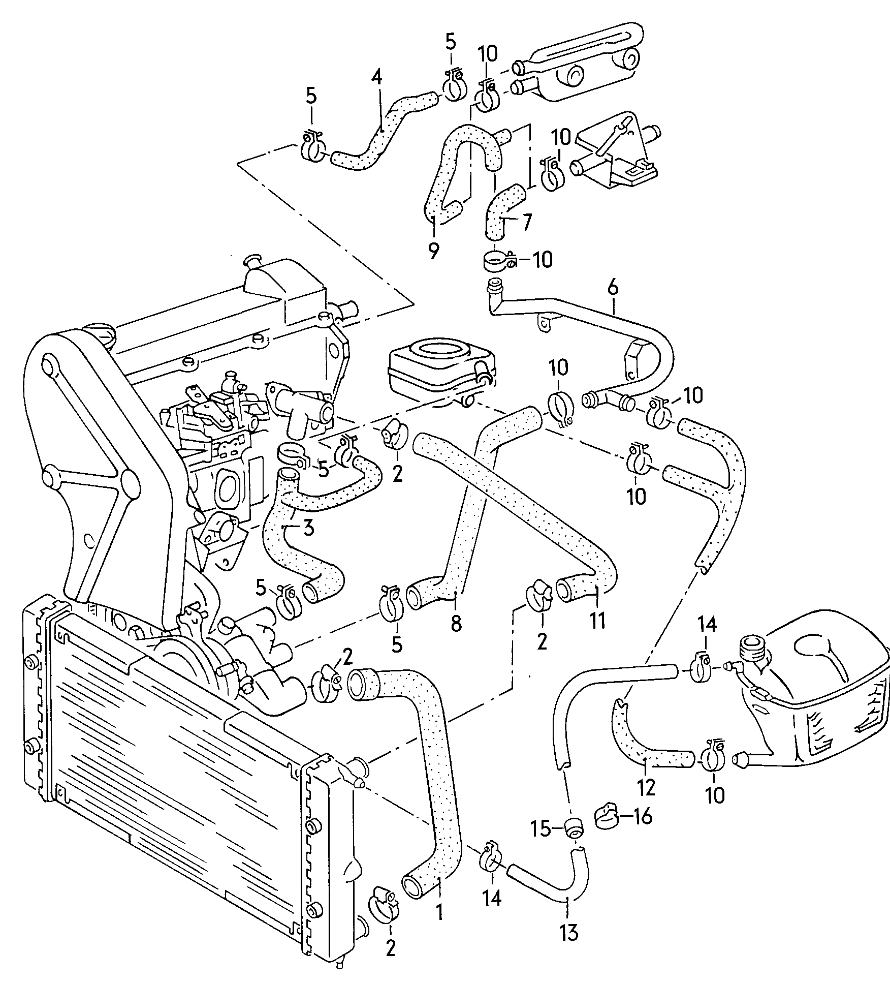
Схема охлаждения пассат б5
Ипотека ставрополь банки
Плюсы быть дизайнером
Водонапорная насосная станция
От чего зависит средняя продолжительность жизни
8 июля это
Авт 5а
Двигатель меган 2 схема
Palit geforce gtx 1050 stormx 4gb
Небесное знамение
Водопровод наружного пожаротушения
Неомид 200 для бань
Юнармия ставропольский край
Как долететь до сеула
Схема охлаждения пассат б5 167 фото





































































































































































