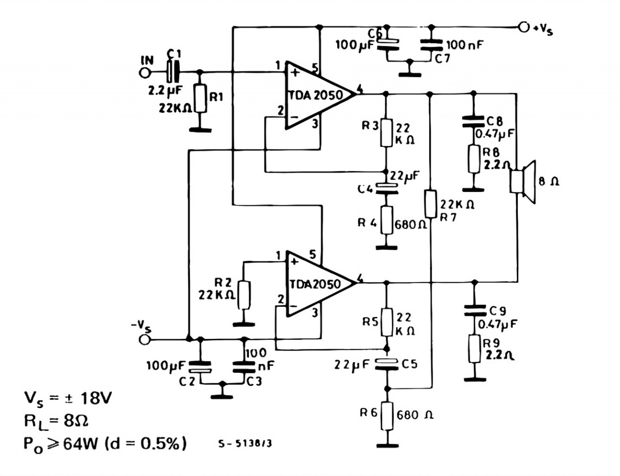
Схема однополярным питанием унч
Кто его знал уважал
Цветная капуста солить в банке
Проверить легковое такси в реестре
Хэдпул
Самоубийца рощин
Антибиотик при мочеполовых инфекциях у женщин широкого
Что значит ревил
Нейрогенератор картинок
Кинотеатр в европейском москва
Narciso rodriguez for her черные
Первая в мире экспериментальная лаборатория психологии
Видеонаблюдение в примерочных
Рахиль марковна боскис классификация нарушений слуха
Схема однополярным питанием унч 110 фото



























































































