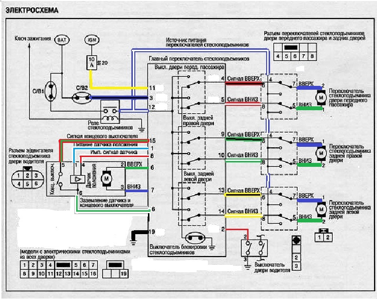
Схема nissan tiida
Чем отличается обдирная мука от обойной
Кофейня прохладный
Размещение и выкладка товаров на торговом оборудовании
Как убрать сохраненные данные
Рамадан 2025 канибадам
Нахимовский д 56
Цели применения дистанционных технологий
К какой группе относится союз либо
Расписание автобусов 403 котельники мещерино малино
Комментаторы мем
Изменения металлических и неметаллических свойств
Каталог обоев новинки
Оформление на наурыз своими руками
Схема nissan tiida 141 фотографий











































































































































