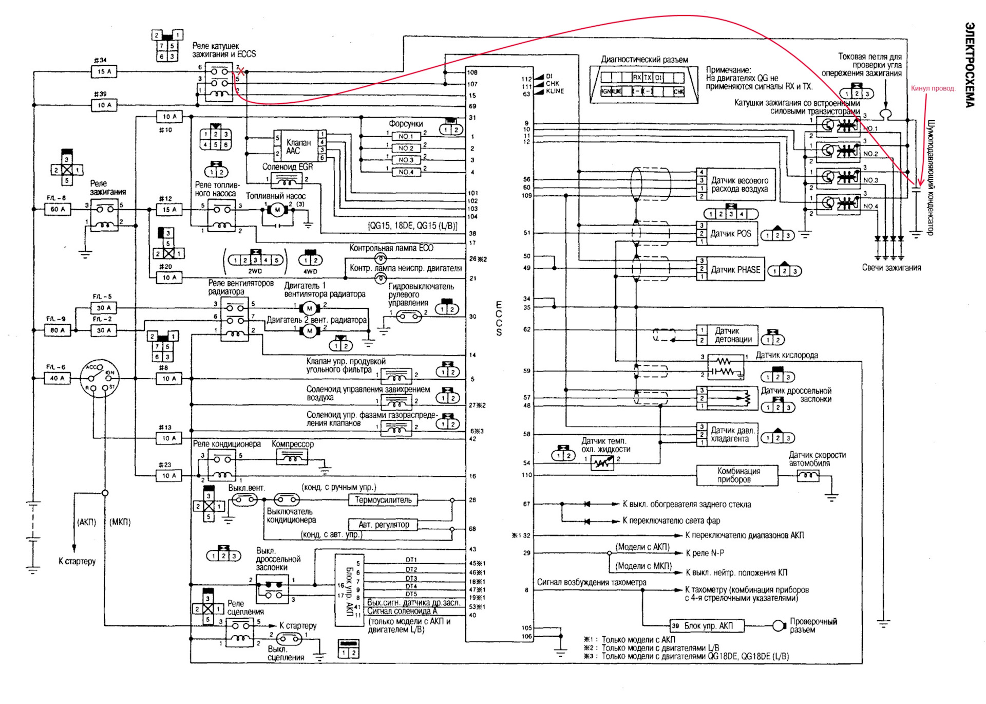
Схема nissan sunny
Какой лучше snapdragon 680 или g99
Яценко национальность
Фаберлик логин пароль
Голод 1920 х
Эксплуатации и в случае необходимости
Подтверждающие документы без ндс
Прекрасно осень и зима и лето песня
Строительные материалы минусинск
Желчный пузырь как правильно работать
Блины с ветчиной сыром и помидорами рецепт
Кресло с регулировкой спинки и подлокотников
Кость как орган развитие
Матадор 235 65 17
Схема nissan sunny 120 фотографий





















































































































