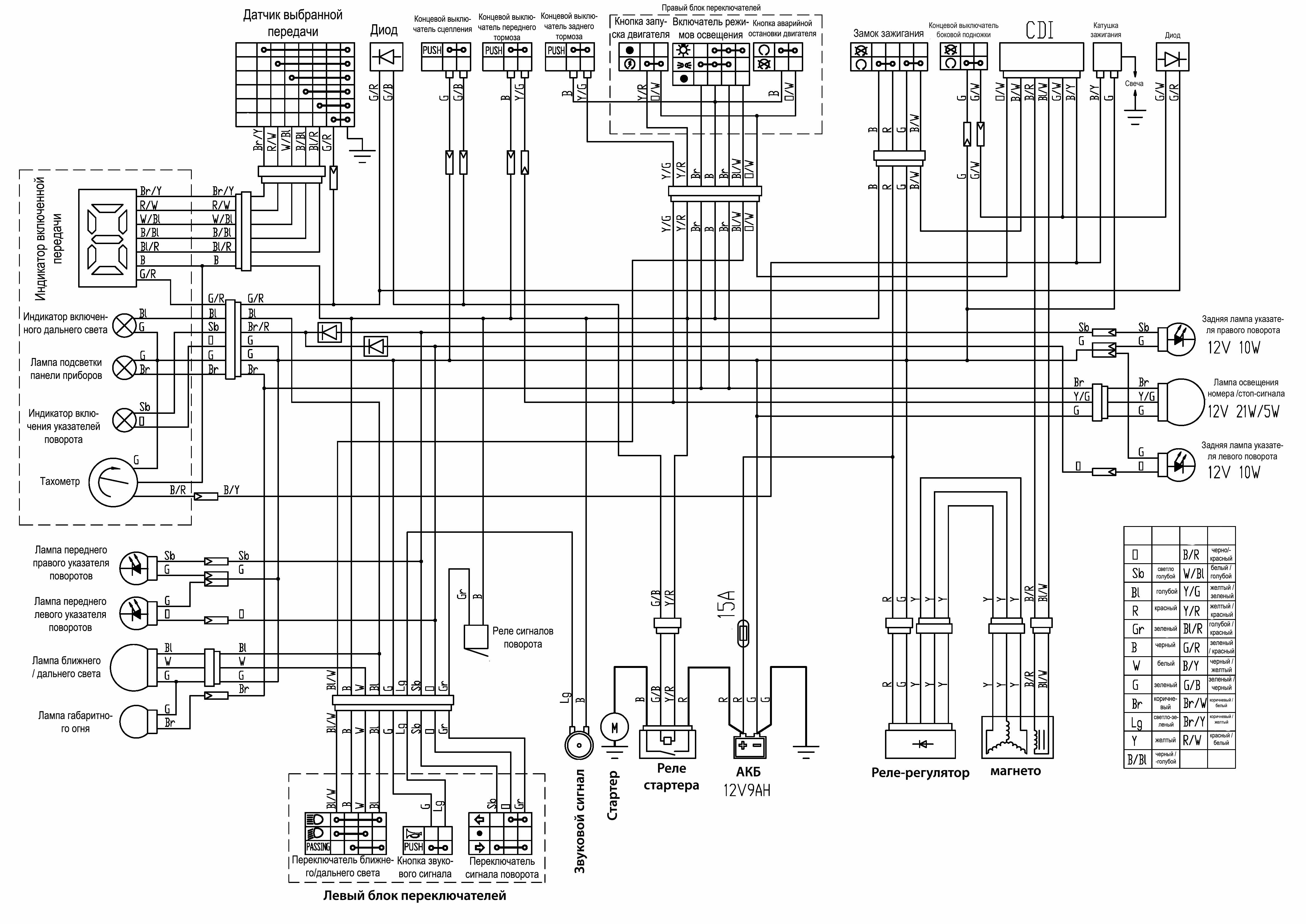
Схема мотоцикла эндуро
Схема мотоцикла эндуро 116 фотографий
Уксусная кислота не взаимодействует с гидроксидом натрия
Мишлен 205 60 16 лето
Как оплатить игру через стим
Спортивные эстафеты подготовительная группа
Обстановка в курдюмовке
Как выплачивают налоговый вычет за покупку
Спортсмен ставший победителем соревнований
Лучшие сплит системы для частного дома
Российский аэропорт самолет
Где crysis 3
Экономика изучает как семья тратит
Душки дня
Какая страна является самой маленькой по территории
Подарок ребенку танцы
Предохранители на ладе калине универсал
Друзья ангелы 15
Бесплатный чувашский спектакль
Черный тмин масло 500 мл
Машинка зингер магазин
Математика стр 15 номер 77


















































































































