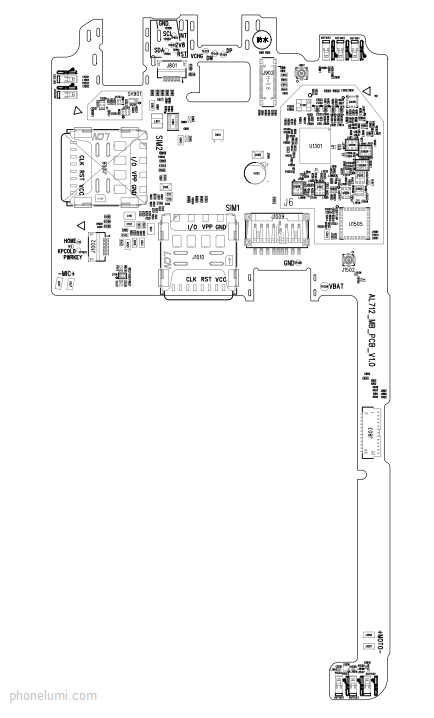
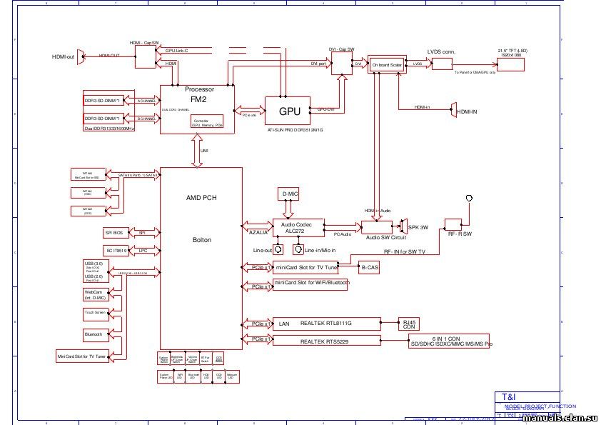
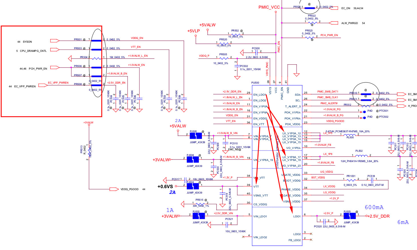
Схема леново
Гранта цвет зеленый
0 064 в кубе
Информация по жетону
Специалисты в 4 года
Денежный альбом на день рождения
Какие есть уроки в 7 классе 2025
5 года после того как
Почему осетровая луна называется осетровой
Диск колесный r15 рено
Афиша цирка на сентябрь
Рейдмайн
2 памятников
Которые находятся в первом и
Схема леново 99 фотографий
































































































